Echo HCA-260 - Hedge Trimmer, S/N: 06001001 - 06999999 Articulating Gear Case S/N: 06001001 - 06001500 Ersatzteile
Articulating Gear Case S/N: 06001001 - 06001500 HCA-260 - Echo Hedge Trimmer, S/N: 06001001 - 06999999

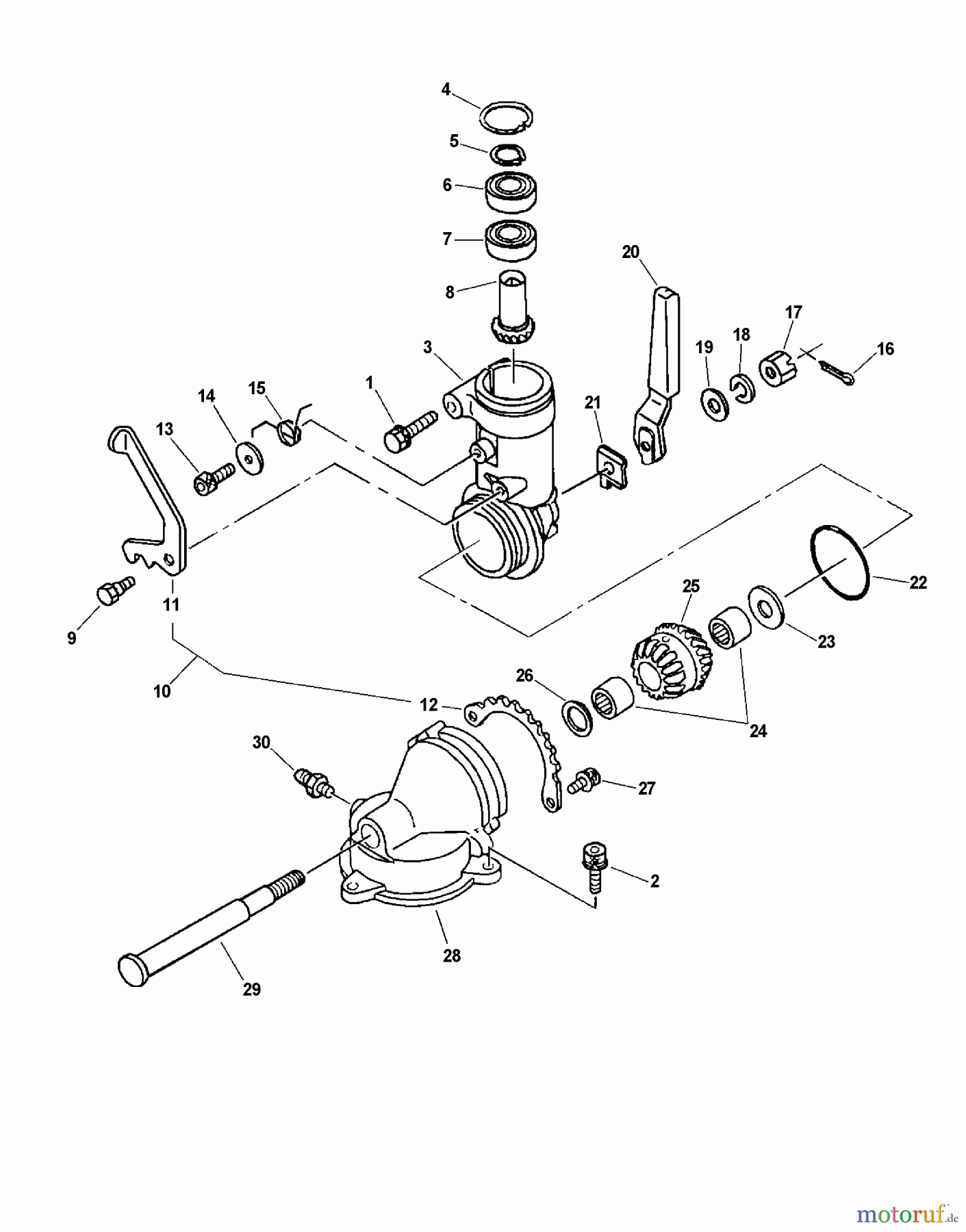
Hier finden Sie die Ersatzteilzeichnung für Echo Heckenscheren HCA-260 - Echo Hedge Trimmer, S/N: 06001001 - 06999999 Articulating Gear Case S/N: 06001001 - 06001500. Wählen Sie das benötigte Ersatzteil aus der Ersatzteilliste Ihres Echo Gerätes aus und bestellen Sie einfach online. Viele Echo Ersatzteile halten wir ständig in unserem Lager für Sie bereit.


Qualitätsmanagement
Informieren Sie uns, wenn Sie einen Fehler gefunden haben.


