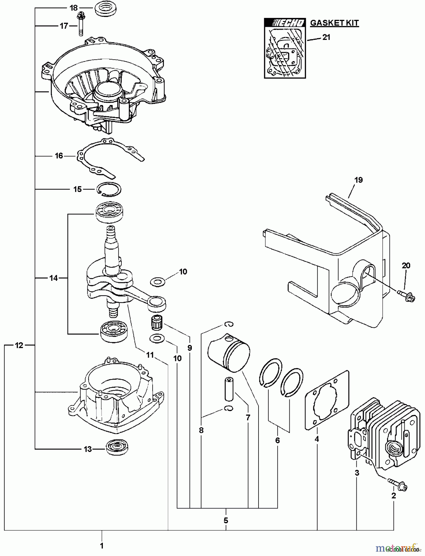
Echo HC-234 - Hedge Trimmer, S/N: 02001001 - 02999999 Engine, Short Block, Cylinder Cover Ersatzteile
Engine, Short Block, Cylinder Cover HC-234 - Echo Hedge Trimmer, S/N: 02001001 - 02999999

Hier finden Sie die Ersatzteilzeichnung für Echo Heckenscheren HC-234 - Echo Hedge Trimmer, S/N: 02001001 - 02999999 Engine, Short Block, Cylinder Cover. Wählen Sie das benötigte Ersatzteil aus der Ersatzteilliste Ihres Echo Gerätes aus und bestellen Sie einfach online. Viele Echo Ersatzteile halten wir ständig in unserem Lager für Sie bereit.


Qualitätsmanagement
Informieren Sie uns, wenn Sie einen Fehler gefunden haben.

