Echo EG-750 - Portable Generator Air Cleaner, Cylinder Head, Muffler Ersatzteile
Air Cleaner, Cylinder Head, Muffler EG-750 - Echo Portable Generator

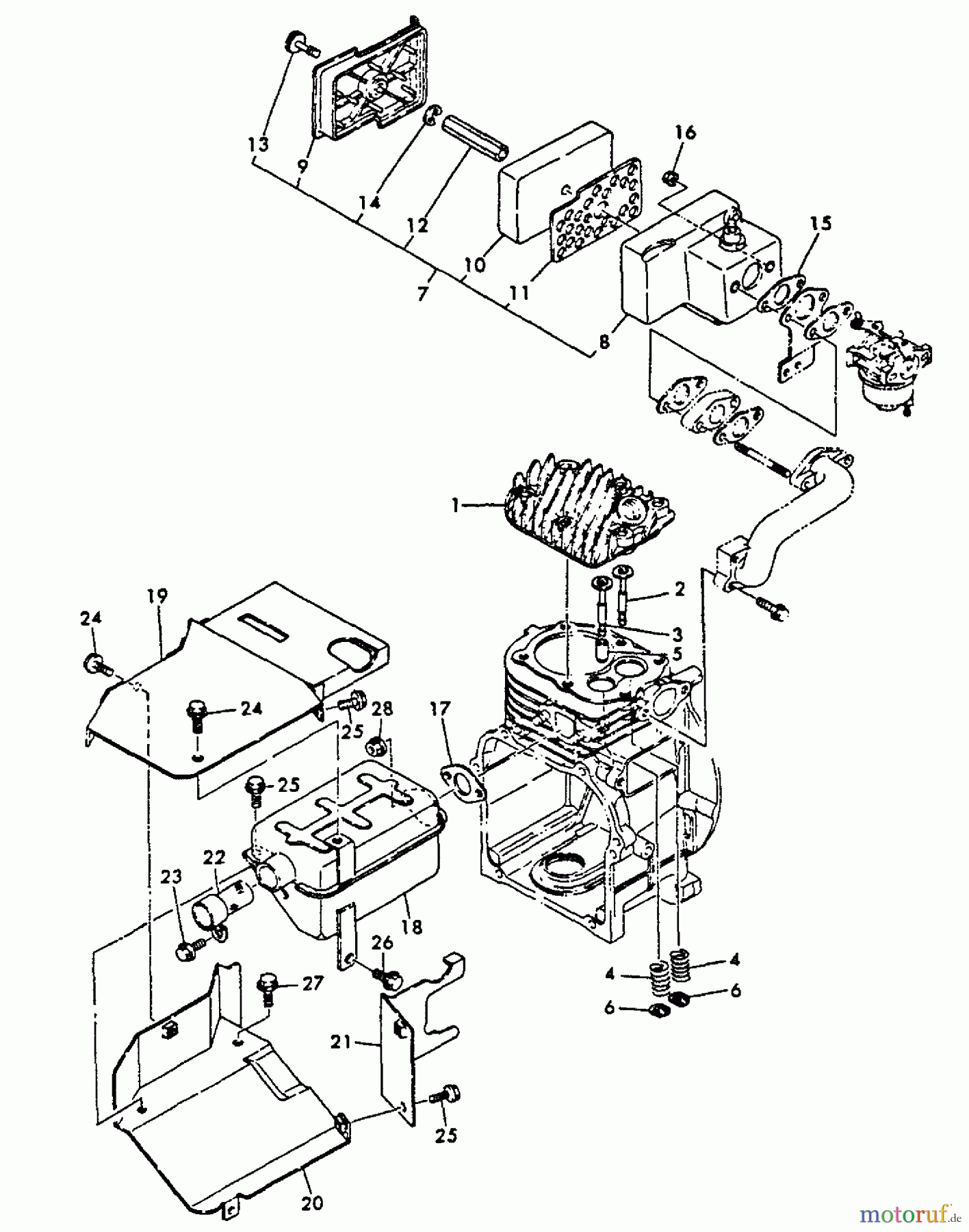
Hier finden Sie die Ersatzteilzeichnung für Echo Stromerzeuger EG-750 - Echo Portable Generator Air Cleaner, Cylinder Head, Muffler. Wählen Sie das benötigte Ersatzteil aus der Ersatzteilliste Ihres Echo Gerätes aus und bestellen Sie einfach online. Viele Echo Ersatzteile halten wir ständig in unserem Lager für Sie bereit.
| BildNr | Artikel Nummer | Bezeichnung | |
| 1 | 1699999999999 | ||
| 2 | 16Y16066411100 | ||
| 3 | 16Y16066411110 | ||
| 4 | 16Y16066411120 | ||
| 5 | 16Y16066411160 | ||
| 6 | 16Y16066411180 | ||
| 7 | 16Y76066712570 | ||
| 8 | 16Y16066712520 | ||
| 9 | 16Y76066712540 | ||
| 10 | 16Y16066712540 | ||
| 11 | 16Y16066712550 | ||
| 12 | 16Y16066712560 | ||
| 13 | 16Y16066712570 | ||
| 14 | 16Y22272000050 | ||
| 15 | 16Y16051056150 | ||
| 16 | 16Y26366060002 | ||
| 17 | 16Y16066413200 | ||
| 18 | 16Y16066713500 | ||
| 19 | 16Y16066713700 | ||
| 20 | 16Y16066713710 | ||
| 21 | 16Y16066713720 | ||
| 22 | 16Y16066713880 | ||
| 23 | 16Y26106060082 | ||
| 24 | 16Y26106060082 | ||
| 25 | 16Y26106060082 | ||
| 26 | 16Y26106060122 | ||
| 27 | 16Y26476060142 | ||
| 28 | 16Y26366060002 | ||



