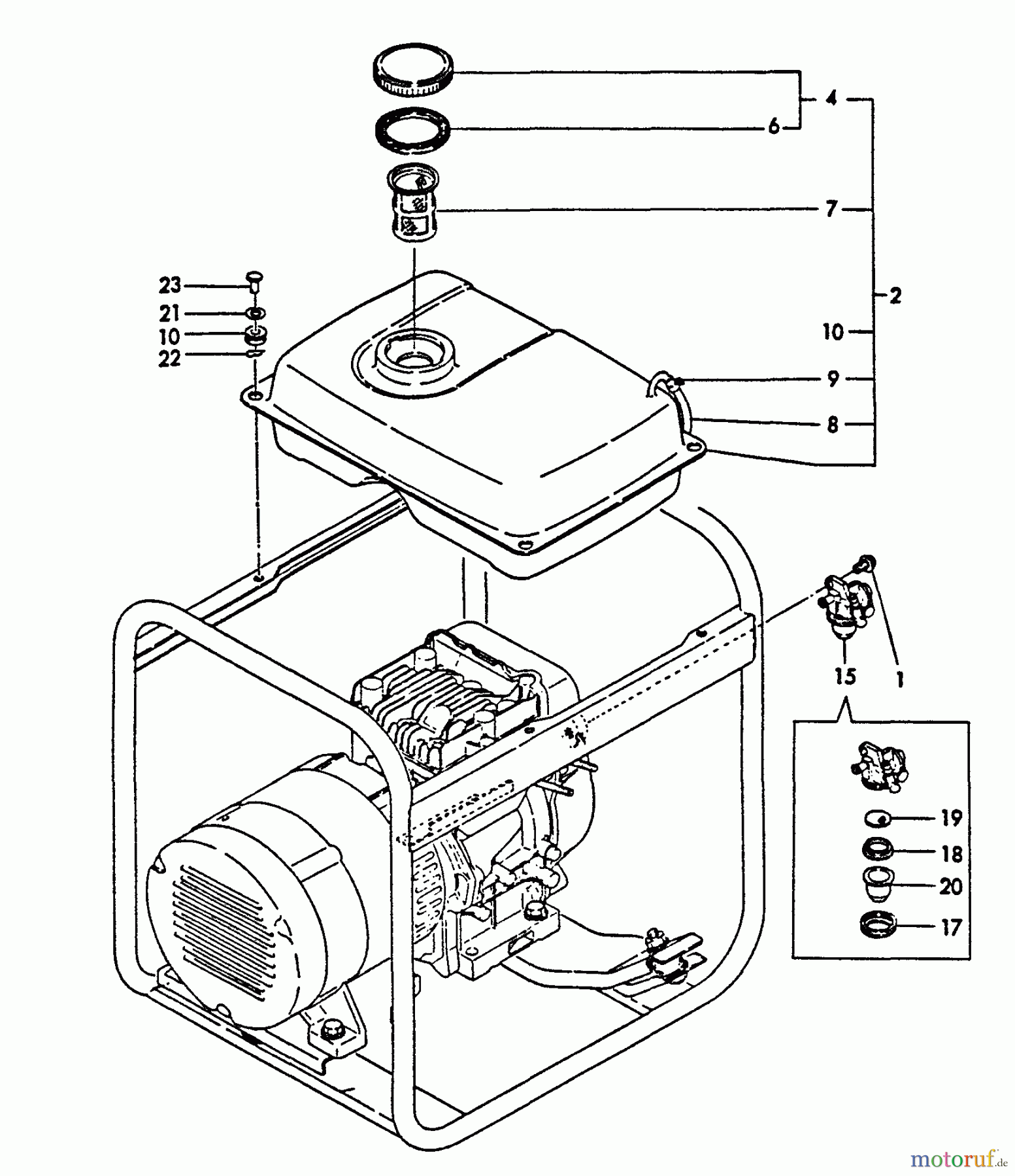
Echo EG-1500 - Portable Generator, S/N: 00000 - 03796 Fuel Tank Ersatzteile
Fuel Tank EG-1500 - Echo Portable Generator, S/N: 00000 - 03796

Hier finden Sie die Ersatzteilzeichnung für Echo Stromerzeuger EG-1500 - Echo Portable Generator, S/N: 00000 - 03796 Fuel Tank. Wählen Sie das benötigte Ersatzteil aus der Ersatzteilliste Ihres Echo Gerätes aus und bestellen Sie einfach online. Viele Echo Ersatzteile halten wir ständig in unserem Lager für Sie bereit.
| BildNr | Artikel Nummer | Bezeichnung | |
| 1 | 16Y26106060082 | ||
| 2 | 1699999999999 | ||
| 4 | 16Y16071055060 | ||
| 6 | 16Y16039355050 | ||
| 7 | 16Y16071055100 | ||
| 8 | 16Y16072055150 | ||
| 9 | 16Y12472259050 | ||
| 10 | 16Y18372055210 | ||
| 15 | 16Y16071055301 | ||
| 17 | 16Y16071055360 | ||
| 18 | 16Y16071055370 | ||
| 19 | 16Y16071055380 | ||
| 20 | 16Y16071055390 | ||
| 21 | 16Y16012076940 | ||
| 22 | 16Y22360060000 | ||
| 23 | 16Y22487060140 | ||


Qualitätsmanagement
Informieren Sie uns, wenn Sie einen Fehler gefunden haben.

