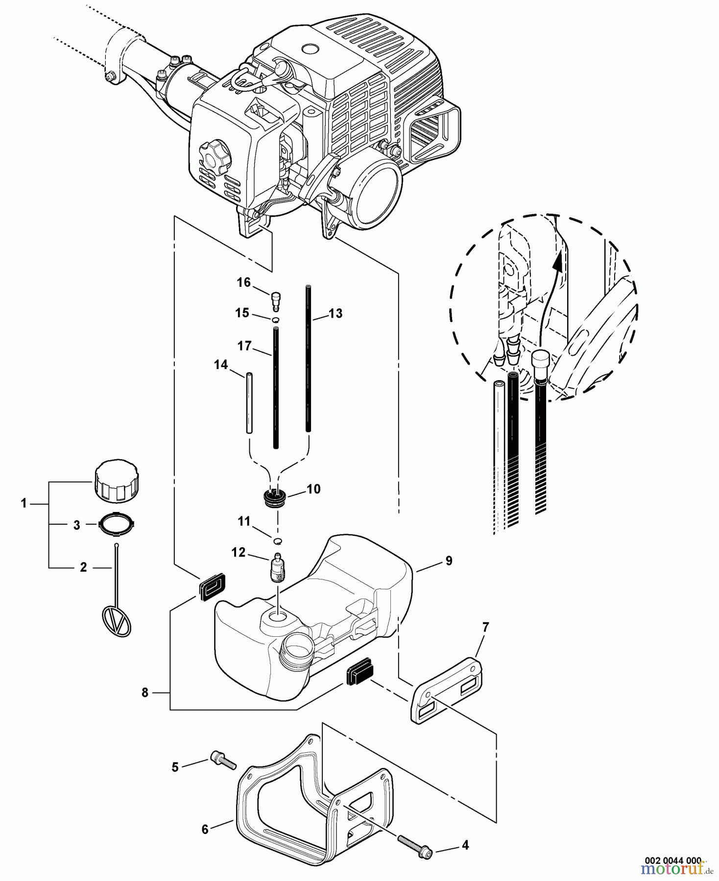
Echo PE-311 - Edger, S/N: S76012001001 - S76012999999 Fuel System Ersatzteile
Fuel System PE-311 - Echo Edger, S/N: S76012001001 - S76012999999

Hier finden Sie die Ersatzteilzeichnung für Echo Kantenschneider PE-311 - Echo Edger, S/N: S76012001001 - S76012999999 Fuel System. Wählen Sie das benötigte Ersatzteil aus der Ersatzteilliste Ihres Echo Gerätes aus und bestellen Sie einfach online. Viele Echo Ersatzteile halten wir ständig in unserem Lager für Sie bereit.


Qualitätsmanagement
Informieren Sie uns, wenn Sie einen Fehler gefunden haben.



