Echo PE-2400 - Edger, S/N: 001001 - 008000 Clutch Housing, Driveshaft, Handles, Ignition Switch, Throttle Ersatzteile
Clutch Housing, Driveshaft, Handles, Ignition Switch, Throttle PE-2400 - Echo Edger, S/N: 001001 - 008000

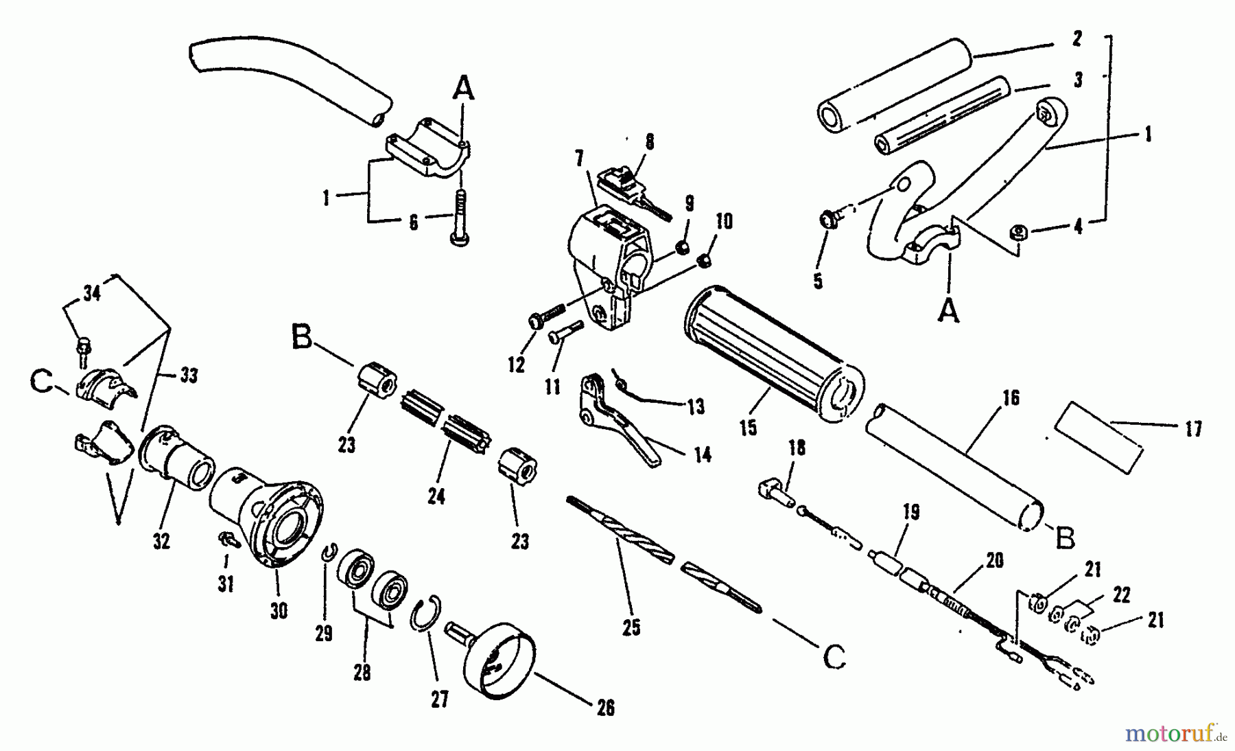
Hier finden Sie die Ersatzteilzeichnung für Echo Kantenschneider PE-2400 - Echo Edger, S/N: 001001 - 008000 Clutch Housing, Driveshaft, Handles, Ignition Switch, Throttle. Wählen Sie das benötigte Ersatzteil aus der Ersatzteilliste Ihres Echo Gerätes aus und bestellen Sie einfach online. Viele Echo Ersatzteile halten wir ständig in unserem Lager für Sie bereit.


Qualitätsmanagement
Informieren Sie uns, wenn Sie einen Fehler gefunden haben.

