Echo PE-2000 - Edger (Type 1E) Engine, Fan Housing, Cylinder Cover Ersatzteile
Engine, Fan Housing, Cylinder Cover PE-2000 - Echo Edger (Type 1E)

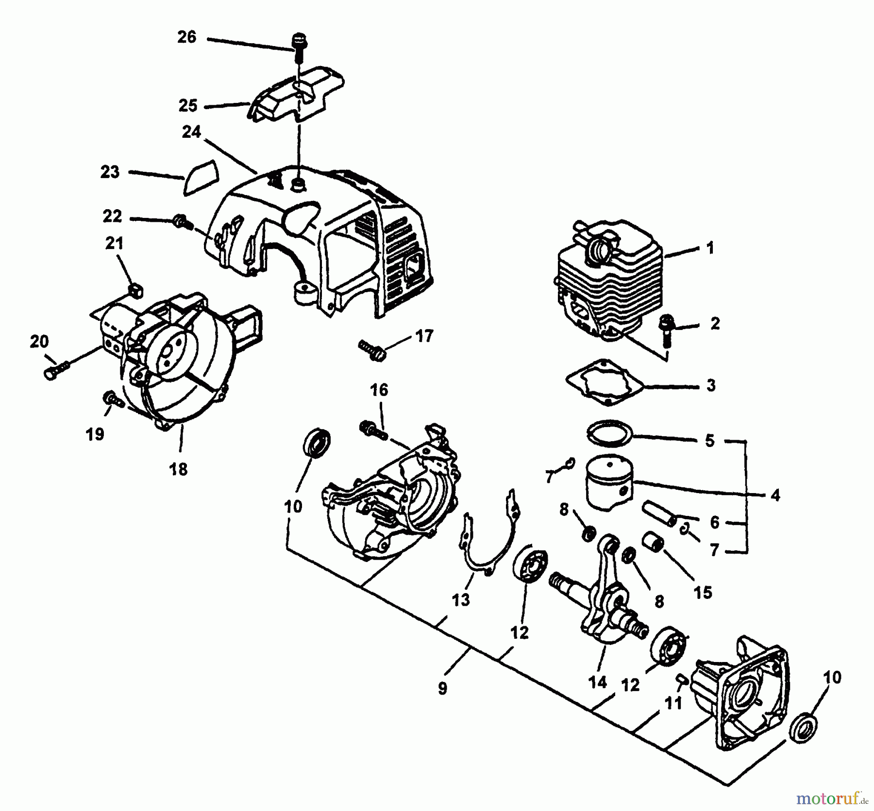
Hier finden Sie die Ersatzteilzeichnung für Echo Kantenschneider PE-2000 - Echo Edger (Type 1E) Engine, Fan Housing, Cylinder Cover. Wählen Sie das benötigte Ersatzteil aus der Ersatzteilliste Ihres Echo Gerätes aus und bestellen Sie einfach online. Viele Echo Ersatzteile halten wir ständig in unserem Lager für Sie bereit.




