Echo PE-200 - Edger, S/N: 05001001 - 05999999 Handle, Throttle, Drive Shaft, Blade Shield Ersatzteile
Handle, Throttle, Drive Shaft, Blade Shield PE-200 - Echo Edger, S/N: 05001001 - 05999999

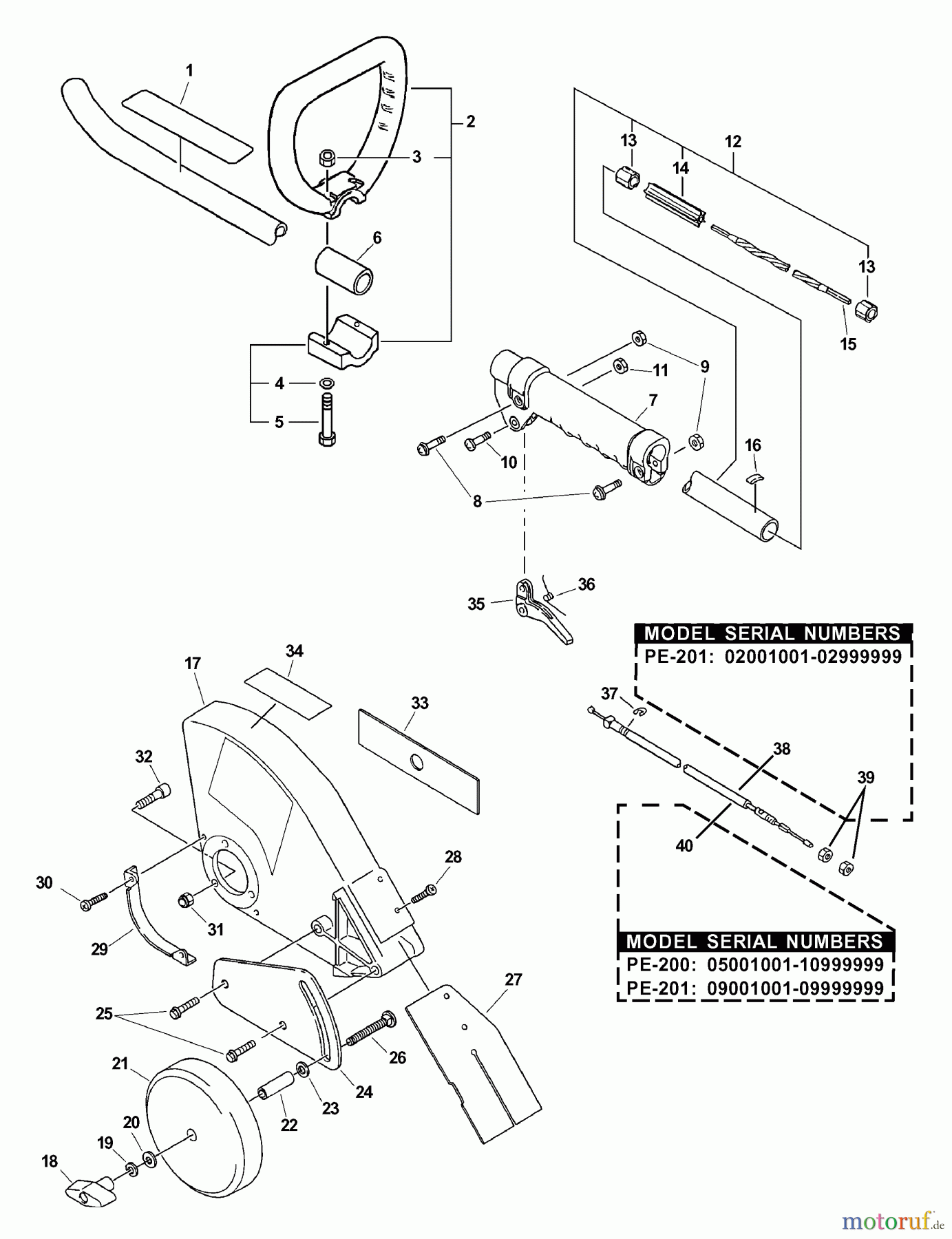
Hier finden Sie die Ersatzteilzeichnung für Echo Kantenschneider PE-200 - Echo Edger, S/N: 05001001 - 05999999 Handle, Throttle, Drive Shaft, Blade Shield. Wählen Sie das benötigte Ersatzteil aus der Ersatzteilliste Ihres Echo Gerätes aus und bestellen Sie einfach online. Viele Echo Ersatzteile halten wir ständig in unserem Lager für Sie bereit.


Qualitätsmanagement
Informieren Sie uns, wenn Sie einen Fehler gefunden haben.


