Echo PB-760LNT - Back Pack Blower, Engine Ersatzteile
Engine PB-760LNT - Echo Back Pack Blower,

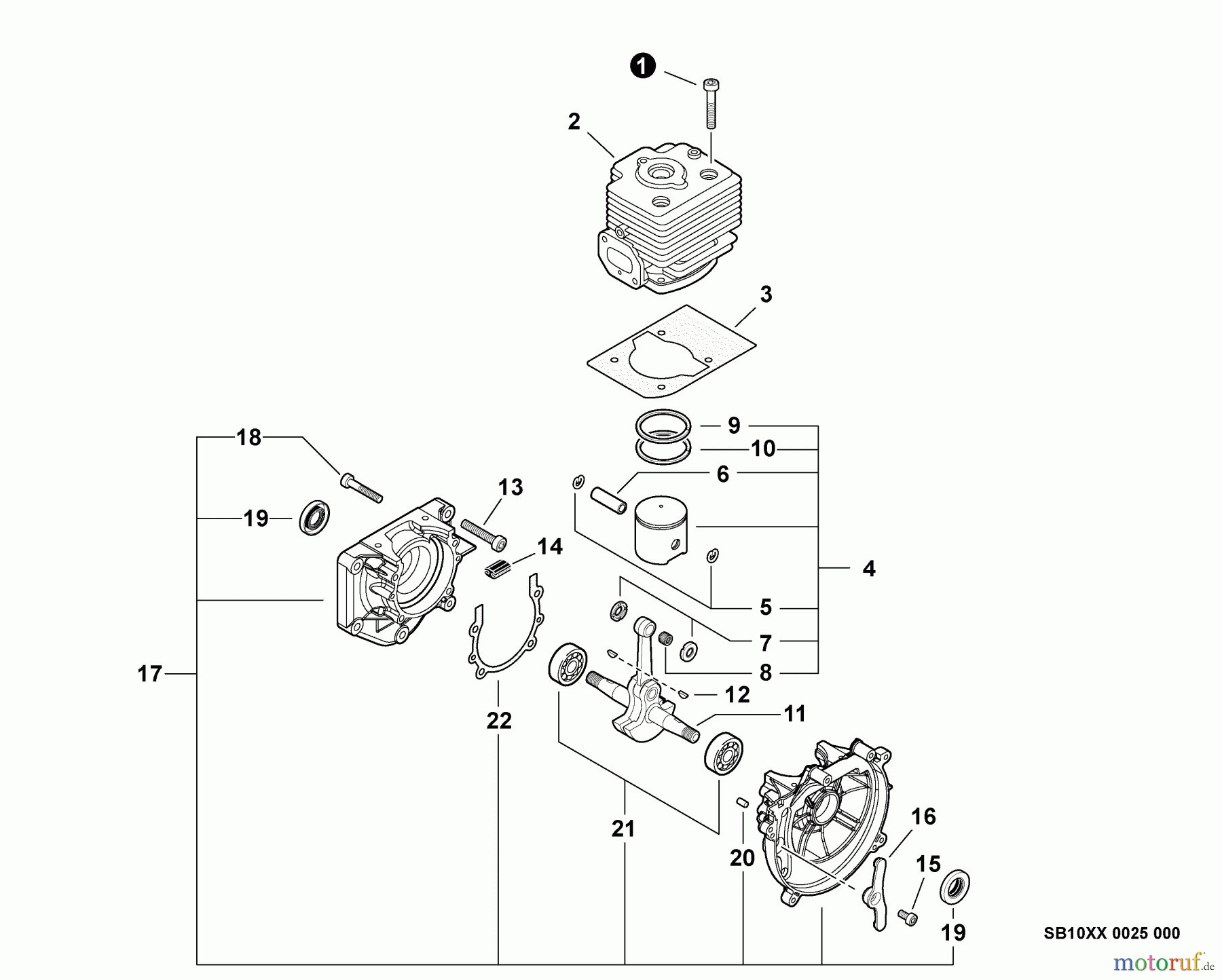
Hier finden Sie die Ersatzteilzeichnung für Echo Bläser / Sauger / Häcksler / Mulchgeräte PB-760LNT - Echo Back Pack Blower, Engine. Wählen Sie das benötigte Ersatzteil aus der Ersatzteilliste Ihres Echo Gerätes aus und bestellen Sie einfach online. Viele Echo Ersatzteile halten wir ständig in unserem Lager für Sie bereit.




