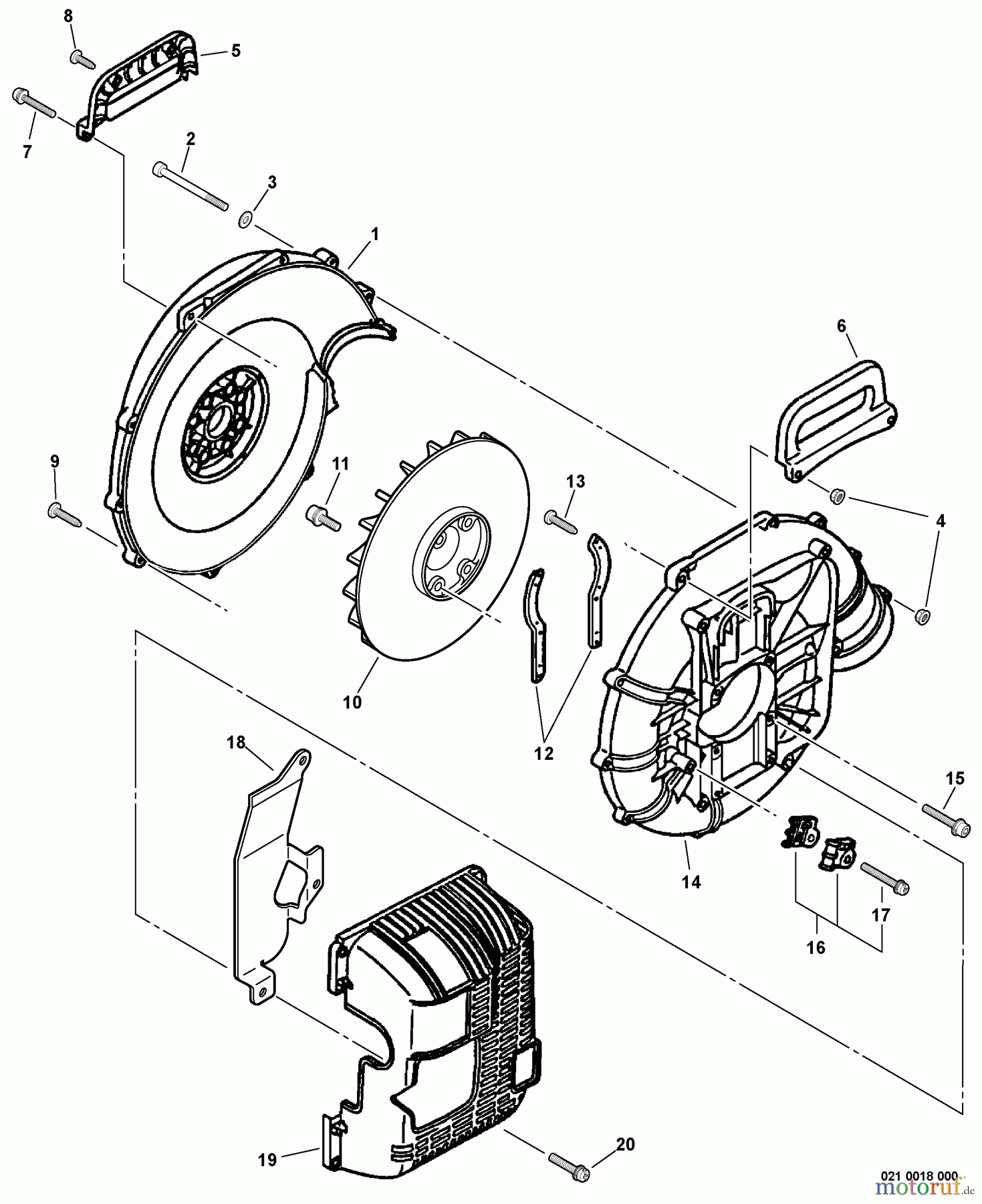
Echo PB-610 - Back Pack Blower, S/N: 10001001 - 10999999 Fan Case, Blower Fan, Engine Cover Ersatzteile
Fan Case, Blower Fan, Engine Cover PB-610 - Echo Back Pack Blower, S/N: 10001001 - 10999999

Hier finden Sie die Ersatzteilzeichnung für Echo Bläser / Sauger / Häcksler / Mulchgeräte PB-610 - Echo Back Pack Blower, S/N: 10001001 - 10999999 Fan Case, Blower Fan, Engine Cover. Wählen Sie das benötigte Ersatzteil aus der Ersatzteilliste Ihres Echo Gerätes aus und bestellen Sie einfach online. Viele Echo Ersatzteile halten wir ständig in unserem Lager für Sie bereit.


Qualitätsmanagement
Informieren Sie uns, wenn Sie einen Fehler gefunden haben.

