Echo PB-411 - Back Pack Blower, S/N: 02001001 - 02999999 Intake, Exhaust Ersatzteile
Intake, Exhaust PB-411 - Echo Back Pack Blower, S/N: 02001001 - 02999999

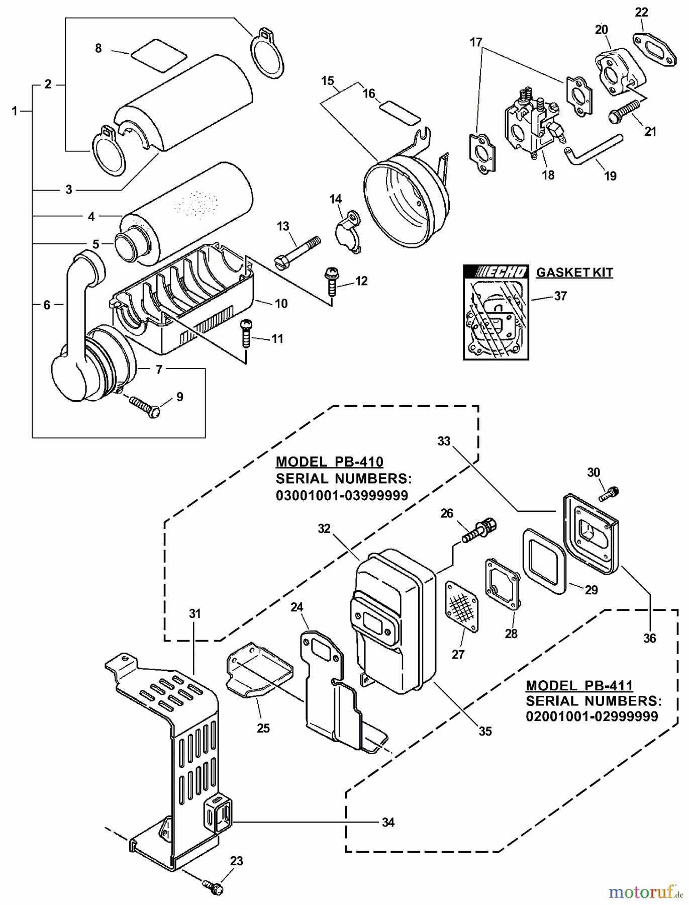
Hier finden Sie die Ersatzteilzeichnung für Echo Bläser / Sauger / Häcksler / Mulchgeräte PB-411 - Echo Back Pack Blower, S/N: 02001001 - 02999999 Intake, Exhaust. Wählen Sie das benötigte Ersatzteil aus der Ersatzteilliste Ihres Echo Gerätes aus und bestellen Sie einfach online. Viele Echo Ersatzteile halten wir ständig in unserem Lager für Sie bereit.


Qualitätsmanagement
Informieren Sie uns, wenn Sie einen Fehler gefunden haben.

