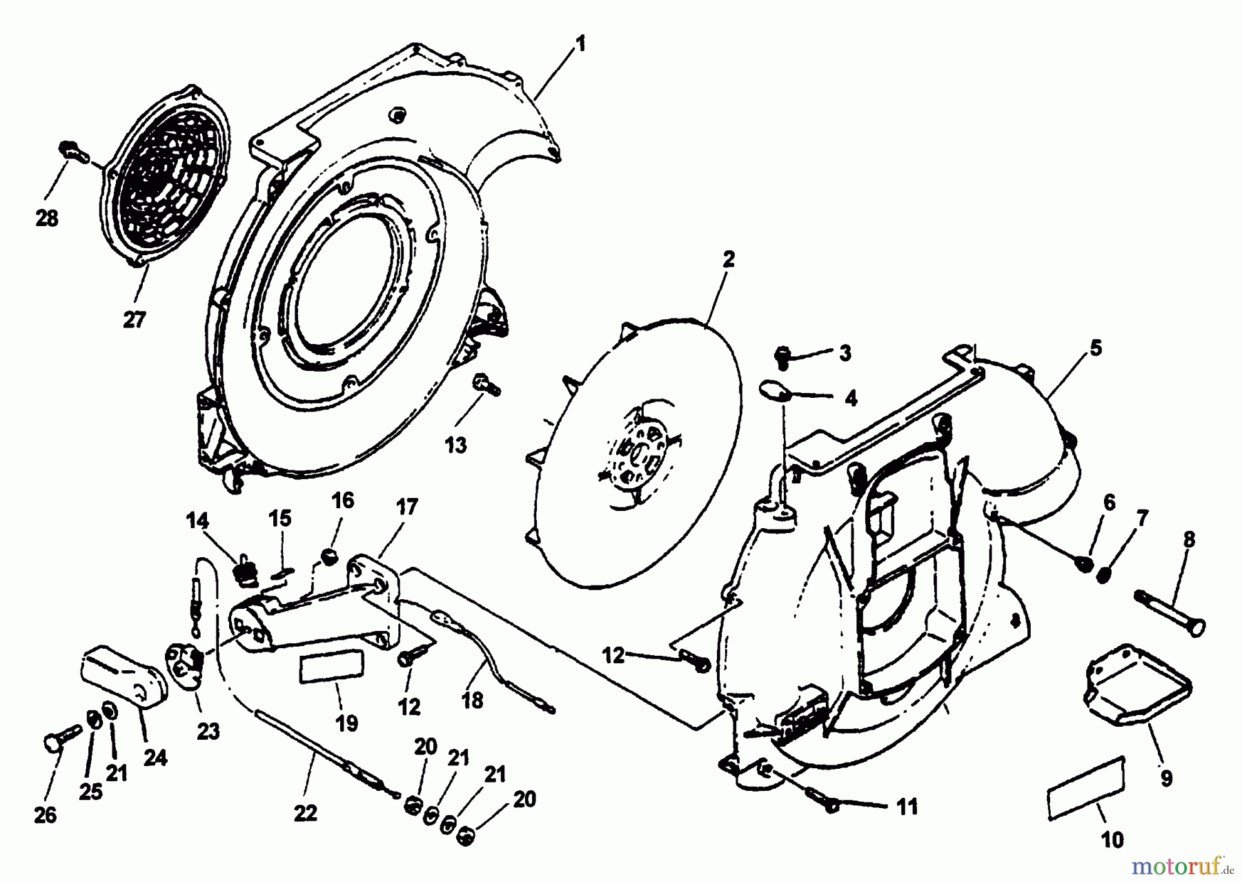
Echo PB-400E - Back Pack Blower, Type 1E S/N 001001 & Up Fan, Blower Housings, Throttle, Stop Switch Ersatzteile
Fan, Blower Housings, Throttle, Stop Switch PB-400E - Echo Back Pack Blower, Type 1E S/N 001001 & Up

Hier finden Sie die Ersatzteilzeichnung für Echo Bläser / Sauger / Häcksler / Mulchgeräte PB-400E - Echo Back Pack Blower, Type 1E S/N 001001 & Up Fan, Blower Housings, Throttle, Stop Switch. Wählen Sie das benötigte Ersatzteil aus der Ersatzteilliste Ihres Echo Gerätes aus und bestellen Sie einfach online. Viele Echo Ersatzteile halten wir ständig in unserem Lager für Sie bereit.




