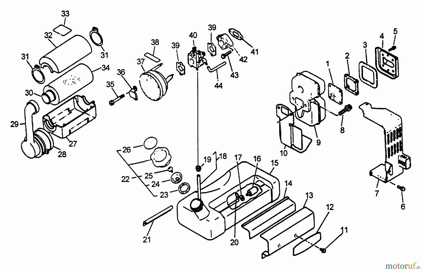
Echo PB-400E - Back Pack Blower, Type 1E S/N 001001 & Up Exhaust, Fuel System, Intake (06/96) Ersatzteile
Exhaust, Fuel System, Intake (06/96) PB-400E - Echo Back Pack Blower, Type 1E S/N 001001 & Up

Hier finden Sie die Ersatzteilzeichnung für Echo Bläser / Sauger / Häcksler / Mulchgeräte PB-400E - Echo Back Pack Blower, Type 1E S/N 001001 & Up Exhaust, Fuel System, Intake (06/96). Wählen Sie das benötigte Ersatzteil aus der Ersatzteilliste Ihres Echo Gerätes aus und bestellen Sie einfach online. Viele Echo Ersatzteile halten wir ständig in unserem Lager für Sie bereit.


Qualitätsmanagement
Informieren Sie uns, wenn Sie einen Fehler gefunden haben.


