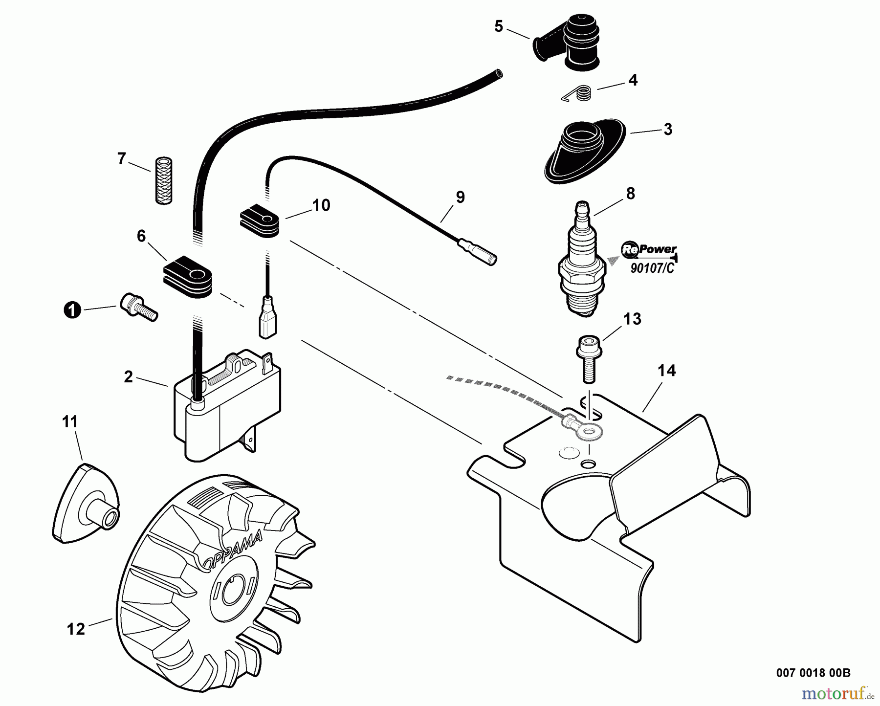
Echo PB-255LN - Blower/Vacuums, S/N: P35213001001 - P35213999999 Ignition, Cylinder Cover Ersatzteile
Ignition, Cylinder Cover PB-255LN - Echo Blower/Vacuums, S/N: P35213001001 - P35213999999

Hier finden Sie die Ersatzteilzeichnung für Echo Bläser / Sauger / Häcksler / Mulchgeräte PB-255LN - Echo Blower/Vacuums, S/N: P35213001001 - P35213999999 Ignition, Cylinder Cover. Wählen Sie das benötigte Ersatzteil aus der Ersatzteilliste Ihres Echo Gerätes aus und bestellen Sie einfach online. Viele Echo Ersatzteile halten wir ständig in unserem Lager für Sie bereit.


Qualitätsmanagement
Informieren Sie uns, wenn Sie einen Fehler gefunden haben.


