Echo PB-230LN - Hand Held Blower, S/N: 05001001 - 05999999 Engine, Short Block, Ignition, Cylinder Cover Ersatzteile
Engine, Short Block, Ignition, Cylinder Cover PB-230LN - Echo Hand Held Blower, S/N: 05001001 - 05999999

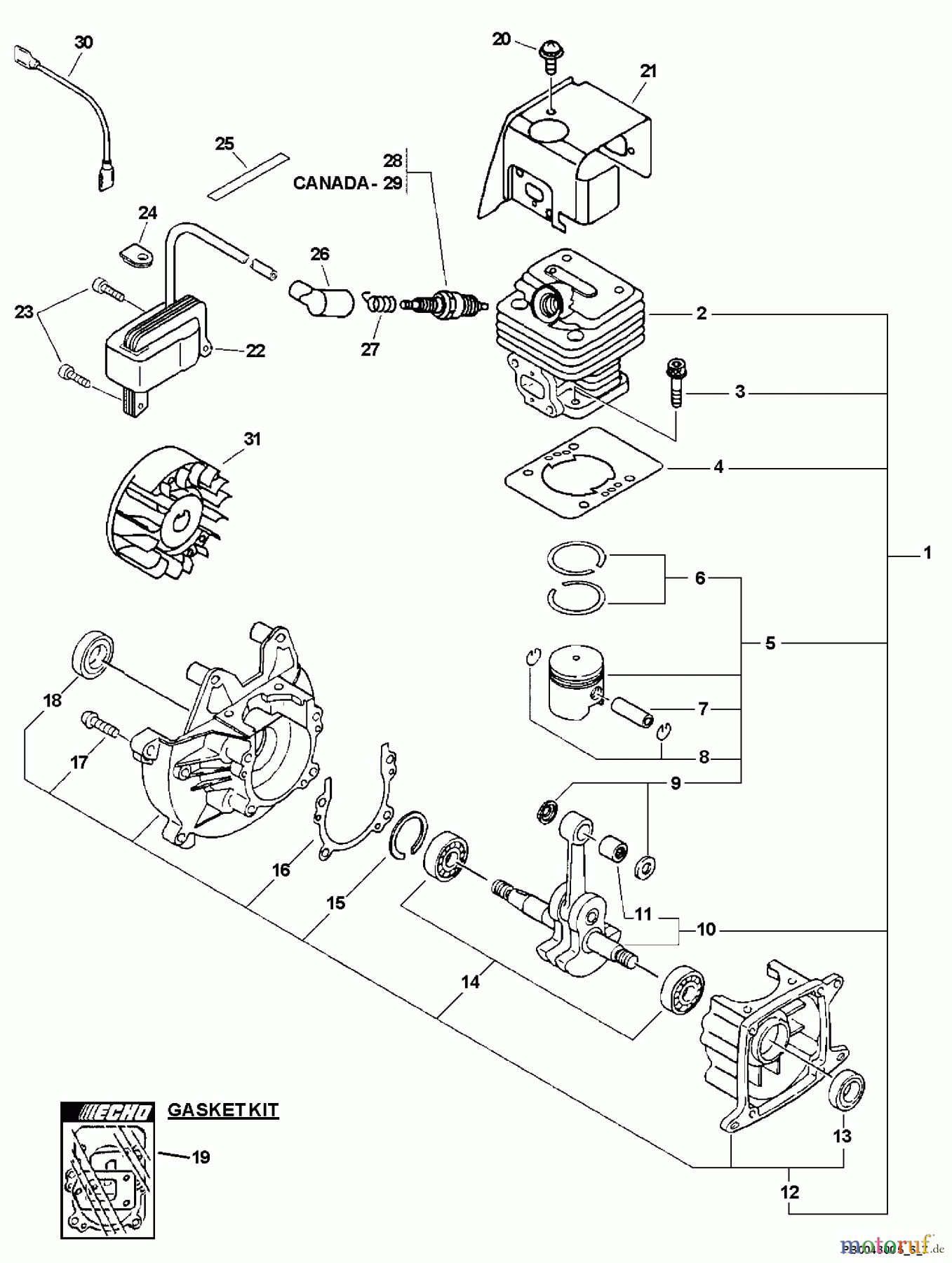
Hier finden Sie die Ersatzteilzeichnung für Echo Bläser / Sauger / Häcksler / Mulchgeräte PB-230LN - Echo Hand Held Blower, S/N: 05001001 - 05999999 Engine, Short Block, Ignition, Cylinder Cover. Wählen Sie das benötigte Ersatzteil aus der Ersatzteilliste Ihres Echo Gerätes aus und bestellen Sie einfach online. Viele Echo Ersatzteile halten wir ständig in unserem Lager für Sie bereit.


Qualitätsmanagement
Informieren Sie uns, wenn Sie einen Fehler gefunden haben.

