Echo PB-210E - Hand Held Blower (Type 1) Carburetor Ersatzteile
Carburetor PB-210E - Echo Hand Held Blower (Type 1)

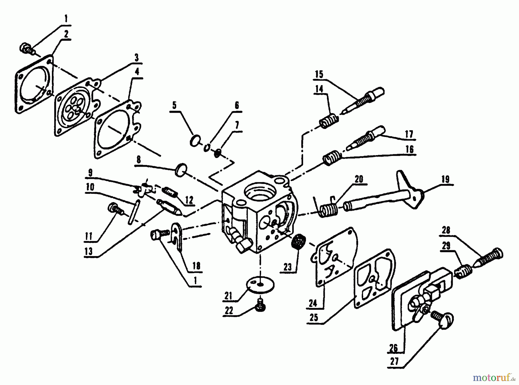
Hier finden Sie die Ersatzteilzeichnung für Echo Bläser / Sauger / Häcksler / Mulchgeräte PB-210E - Echo Hand Held Blower (Type 1) Carburetor. Wählen Sie das benötigte Ersatzteil aus der Ersatzteilliste Ihres Echo Gerätes aus und bestellen Sie einfach online. Viele Echo Ersatzteile halten wir ständig in unserem Lager für Sie bereit.


Qualitätsmanagement
Informieren Sie uns, wenn Sie einen Fehler gefunden haben.

