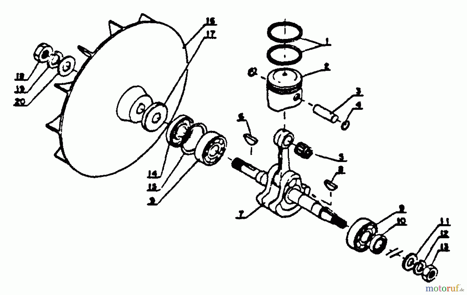
Echo PB-202 - Hand Held Blower, S/N: 0040502 - 9999999 Crankshaft, Piston, Fan Ersatzteile
Crankshaft, Piston, Fan PB-202 - Echo Hand Held Blower, S/N: 0040502 - 9999999

Hier finden Sie die Ersatzteilzeichnung für Echo Bläser / Sauger / Häcksler / Mulchgeräte PB-202 - Echo Hand Held Blower, S/N: 0040502 - 9999999 Crankshaft, Piston, Fan. Wählen Sie das benötigte Ersatzteil aus der Ersatzteilliste Ihres Echo Gerätes aus und bestellen Sie einfach online. Viele Echo Ersatzteile halten wir ständig in unserem Lager für Sie bereit.



