Echo PB-1010 - Hand Held Blower, S/N: 242732 - 999999 Ignition, Starter Ersatzteile
Ignition, Starter PB-1010 - Echo Hand Held Blower, S/N: 242732 - 999999

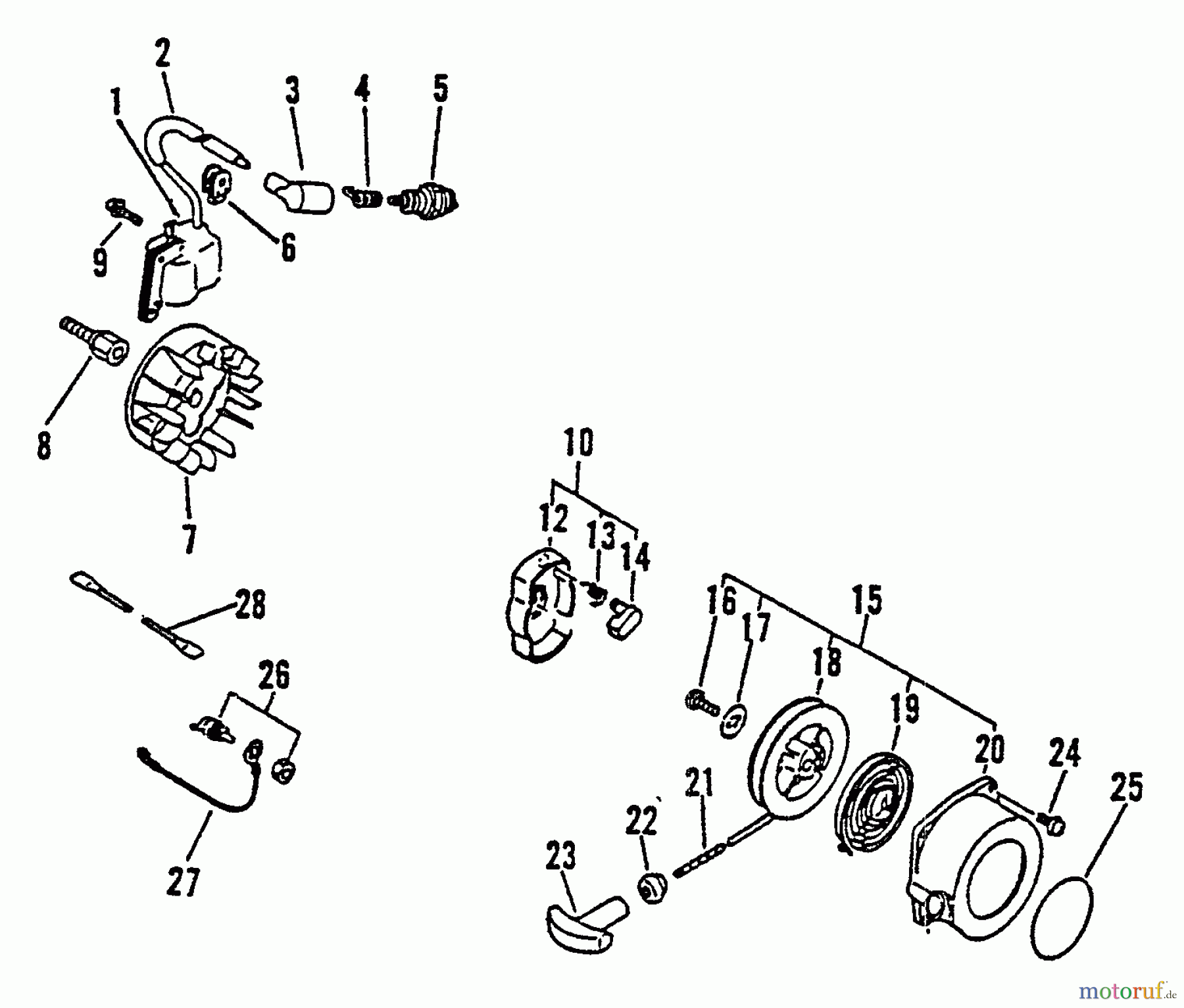
Hier finden Sie die Ersatzteilzeichnung für Echo Bläser / Sauger / Häcksler / Mulchgeräte PB-1010 - Echo Hand Held Blower, S/N: 242732 - 999999 Ignition, Starter. Wählen Sie das benötigte Ersatzteil aus der Ersatzteilliste Ihres Echo Gerätes aus und bestellen Sie einfach online. Viele Echo Ersatzteile halten wir ständig in unserem Lager für Sie bereit.




