Echo CSV-8S - Chipper/Shredder/Vacuum Handles, Gear Shift, Fuel Tank, Starter, Drv Cable Ersatzteile
Handles, Gear Shift, Fuel Tank, Starter, Drv Cable CSV-8S - Echo Chipper/Shredder/Vacuum

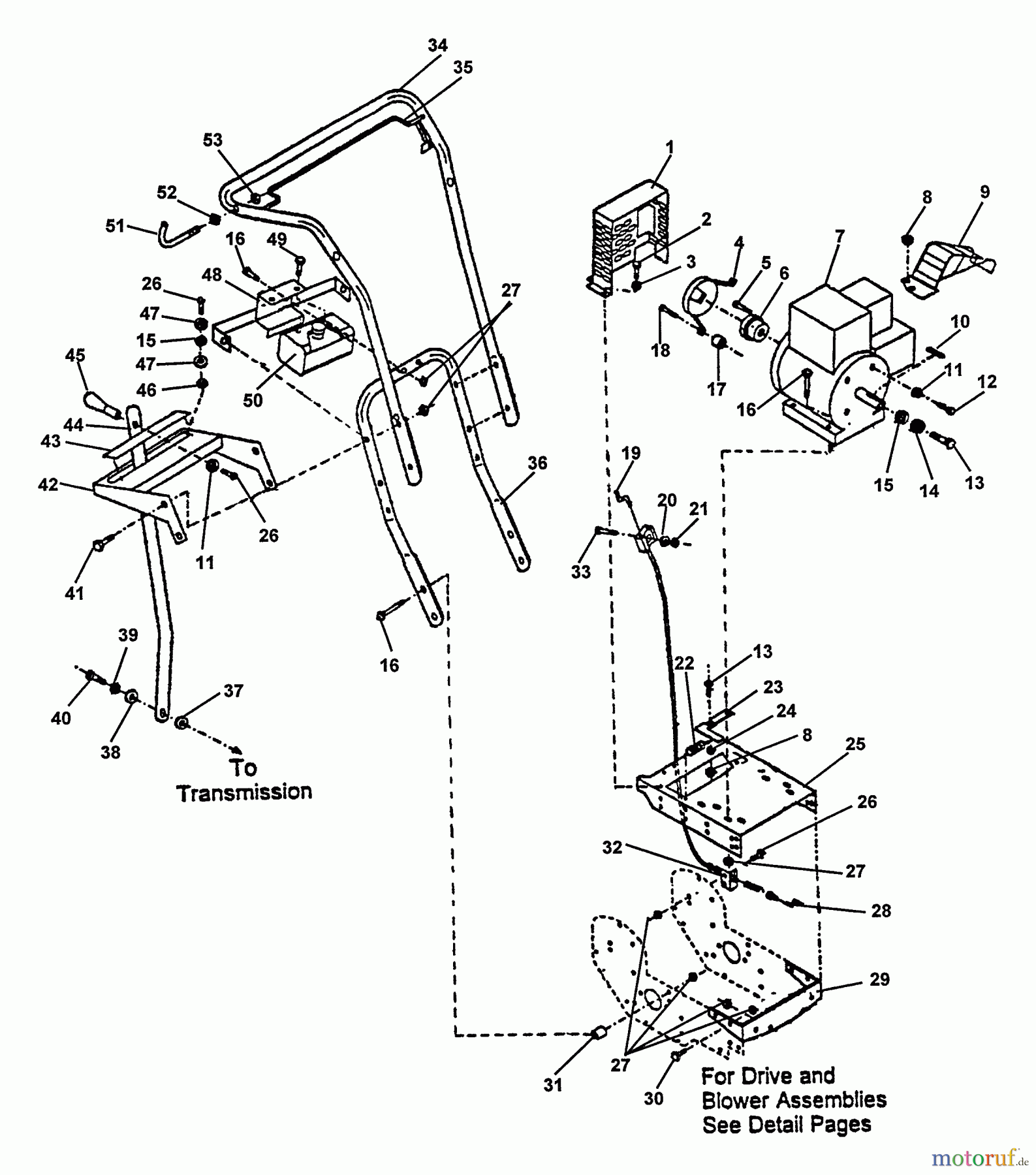
Hier finden Sie die Ersatzteilzeichnung für Echo Bläser / Sauger / Häcksler / Mulchgeräte CSV-8S - Echo Chipper/Shredder/Vacuum Handles, Gear Shift, Fuel Tank, Starter, Drv Cable. Wählen Sie das benötigte Ersatzteil aus der Ersatzteilliste Ihres Echo Gerätes aus und bestellen Sie einfach online. Viele Echo Ersatzteile halten wir ständig in unserem Lager für Sie bereit.
| BildNr | Artikel Nummer | Bezeichnung | |
| 1 | 1699999999999 | ||
| 1 | 16740604000 | ||
| 2 | 16740670100 | ||
| 3 | 16 | 16 | |
| 4 | 16 | 16 | |
| 5 | 16 | 16 | |
| 6 | 16740401900 | ||
| 6 | 16740611900 | ||
| 7 | 16~N/A | ||
| 8 | 16740674800 | ||
| 9 | 16740650700 | ||
| 9 | 16740650800 | ||
| 10 | 16740672300 | ||
| 11 | 16 | 16 | |
| 12 | 16 | 16 | |
| 13 | 16740671100 | ||
| 14 | 16740672700 | ||
| 15 | 16740000563 | ||
| 16 | 16740000532 | ||
| 17 | 16740000432 | ||
| 18 | 16740000587 | ||
| 19 | 16740630100 | ||
| 20 | 16 | 16 | |
| 21 | 16740675700 | ||
| 22 | 16740402300 | ||
| 23 | 16740603500 | ||
| 23 | 16740601900 | ||
| 24 | 16740673500 | ||
| 25 | 16740603000 | ||
| 26 | 16740000576 | ||
| 27 | 16740672200 | ||
| 28 | 16740630300 | ||
| 28 | 16740630400 | ||
| 29 | 16740280900 | ||
| 30 | 16740000671 | ||
| 31 | 16740673300 | ||
| 32 | 16740603800 | ||
| 33 | 16 | 16 | |
| 34 | 16740601700 | ||
| 35 | 16740650600 | ||
| 36 | 16740601600 | ||
| 37 | 16740670500 | ||
| 38 | 16 | 16 | |
| 39 | 16 | 16 | |
| 40 | 16 | 16 | |
| 41 | 16 | 16 | |
| 42 | 16740602700 | ||
| 43 | 16740661400 | ||
| 44 | 16740603600 | ||
| 45 | 16740650500 | ||
| 46 | 16740000561 | ||
| 47 | 16740000682 | ||
| 48 | 16740000395 | ||
| 49 | 16740675400 | ||
| 50 | 16740102504 | ||
| 51 | 16740672000 | ||
| 52 | 16740000670 | ||
| 53 | 16740672900 | ||


Qualitätsmanagement
Informieren Sie uns, wenn Sie einen Fehler gefunden haben.

