Shimano RD-U8000, RD-U6000 SHIMANO CUES Schaltwerk Ersatzteile
RD-U8000, RD-U6000 SHIMANO CUES Schaltwerk RD Rear Derailleur - Schaltwerk

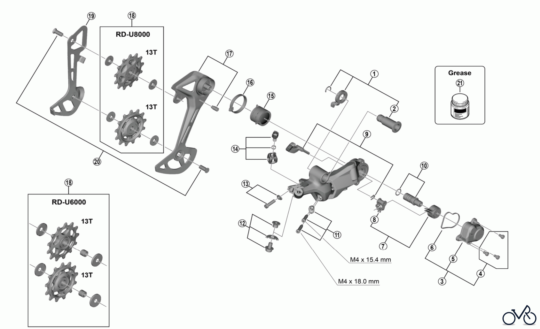
Hier finden Sie die Ersatzteilzeichnung für Shimano RD Rear Derailleur - Schaltwerk RD-U8000, RD-U6000 SHIMANO CUES Schaltwerk. Wählen Sie das benötigte Ersatzteil aus der Ersatzteilliste Ihres Shimano Gerätes aus und bestellen Sie einfach online. Viele Shimano Ersatzteile halten wir ständig in unserem Lager für Sie bereit.


Qualitätsmanagement
Informieren Sie uns, wenn Sie einen Fehler gefunden haben.




