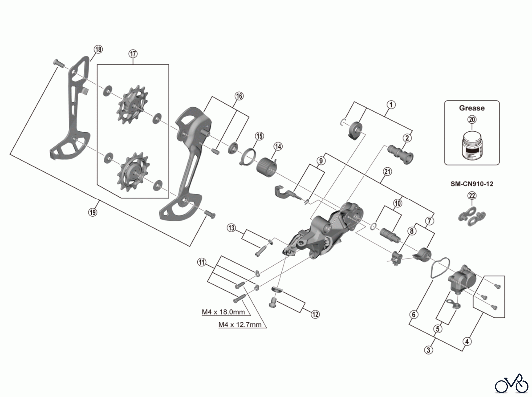
Shimano RD-M8120-SGS DEORE XT Rear Derailleur 12-speed Ersatzteile
RD-M8120-SGS DEORE XT Rear Derailleur 12-speed RD Rear Derailleur - Schaltwerk

Hier finden Sie die Ersatzteilzeichnung für Shimano RD Rear Derailleur - Schaltwerk RD-M8120-SGS DEORE XT Rear Derailleur 12-speed. Wählen Sie das benötigte Ersatzteil aus der Ersatzteilliste Ihres Shimano Gerätes aus und bestellen Sie einfach online. Viele Shimano Ersatzteile halten wir ständig in unserem Lager für Sie bereit.


Qualitätsmanagement
Informieren Sie uns, wenn Sie einen Fehler gefunden haben.






