Zurück zu
>
Mäher
>
Benzin
>
Antrieb ab 43 cm
>
6er
>
6.46 BA ( 1996 / 6966580-A )
>
6.46 BA (6966580a-1996-4)
Ersatzteillisten für Wolf Mäher 6.46 BA (6966580a-1996-4)
Ersatzteilliste 1
Ersatzteilliste 2
Pos.
Bezeichnung
Ersatzteilnummer
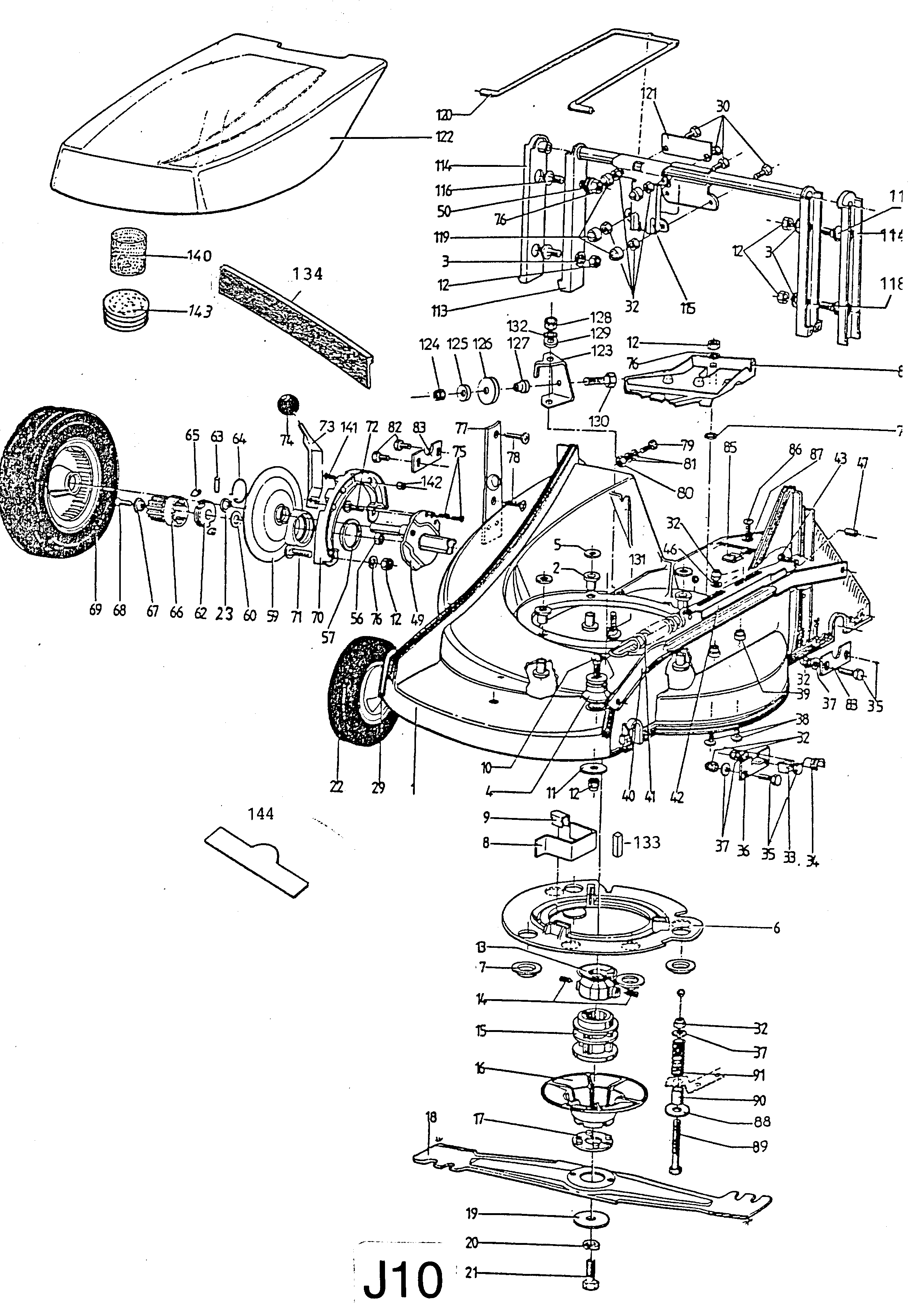
1
Chassis
6905 300
2
Isolierstück
6905 301
4
Halter
6920 301
5
Scheibe 25x8, 5x3
6905 311
6
Isolierring
6925 302
7
Scheibe
6920 302
8
Riemenführung
6925 503
9
Klammer
6912 504
10
Schraube M 8x50 DIN 603
0013 666
11
Scheibe B2
4151 209
12
6kt.-Mutter
0016 312
13
Riemenscheibe
6912 501
14
Gewindestift
6912 502
15
Kupplungsbuchse
6920 402
16
Mitnehmer
6912 401
17
Mitnehmer
6920 500
18
Messer
6920 090
18
Messer Profi (verstärkt)
6920 091
19
Scheibe
4289 403
38
Schraube M 6x30 DIN 603
0013 641
39
Buchse
6955 109
40
Verbindungsstange
6920 506
41
Feder
6920 508
42
Federhalter
6920 509
47
Buchse
6920 510
50
6kt.-Mutter
0016 312
56
Kugellager
4253 109
57
Scheibe
6925 505
59
Raddeckel
6912 506
60
Scheibe
0017 282
62
Freilauf
4277 505
64
Rückholfeder
4277 506
68
Schraube
0011 444
70
Rastelement
6920 513
71
Schraube
0013 655
72
Schraube
0013 654
73
Stellhebel
6925 020
74
Knopf
4277104
75
Niet 6x15 DIN 660
0019 114
76
Scheibe A8,4 DIN 125-St
0017 123
77
Halter
6905 309
78
PT-Schraube KA 40x10
0012 887
80
Mutter M4 DIN 985
0016 309
81
Scheibe B 4,3 DIN 9021
0017 286
82
Schraube M 6x25 DIN 933
0010 379
83
Befestigungsplatte
6920 515
85
Clips
4224 218
86
Schraube
0015 684
87
Scheibe B 4,3 DIN 9021
0017 286
88
Scheibe
6925 201
89
Schraube
0010 305
90
Hülse
6925 202
91
Feder
6925 203
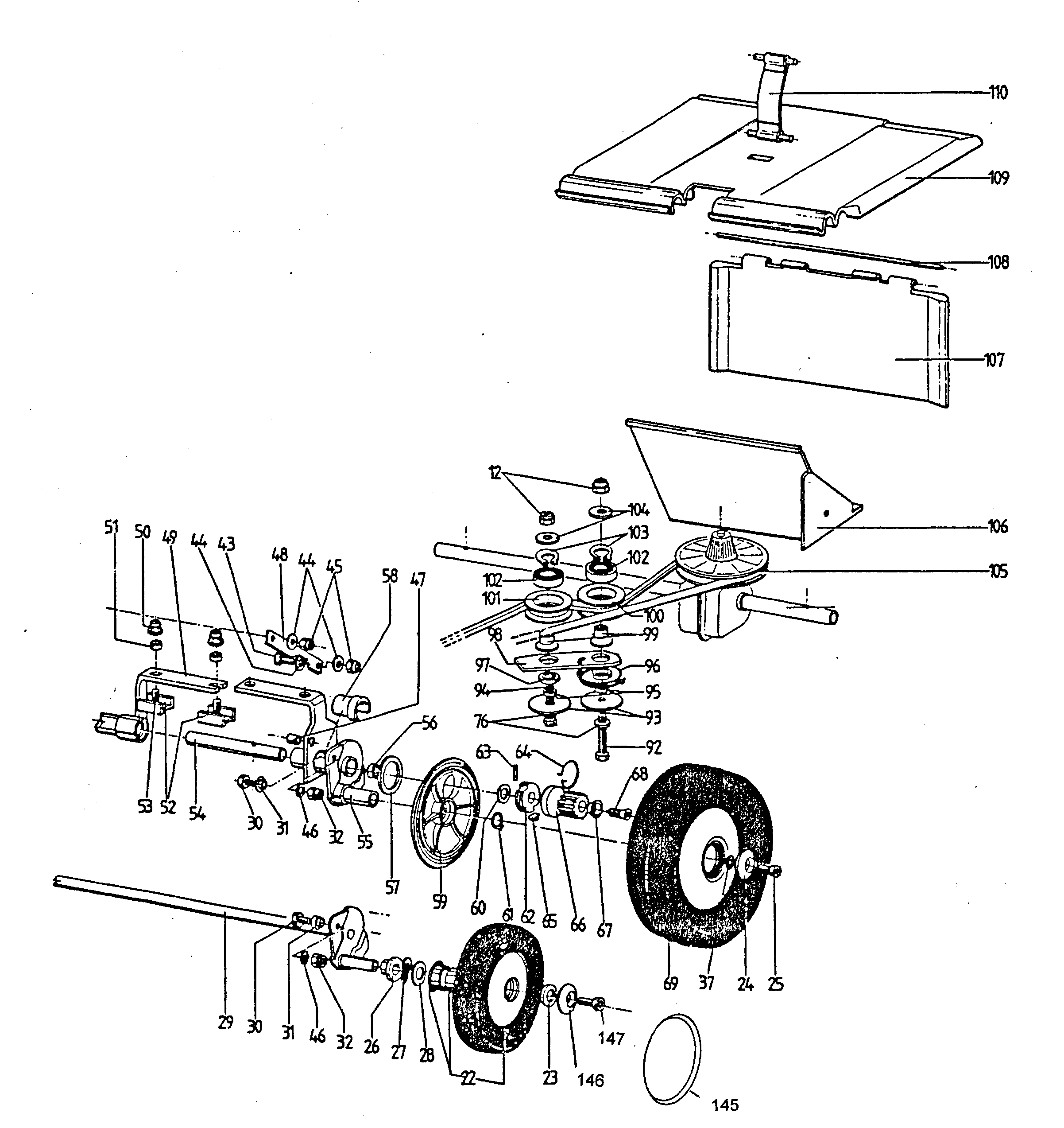
114
Isolierstück
6905 308
115
Halter
6920 303
116
Schraube
0013 652
118
Schraube
0013 653
119
Kappe M6
6905 211
120
Bügel
6920 304
121
Platte
6920 305
122
Haube
6920 306
123
Buchse
6912 512
124
6kt.-Mutter
0016 310
125
Scheibe A 5,3 DIN 9021
0017 287
126
Umlenkrolle
1086 126
127
Stehbolzen
6912 515
128
Mutter M6 DIN 934
0016 256
130
Schraube M 5x20 DIN 558
0010 101
131
Flachrundschraube M 6x16
0013 640
133
Paßfeder
6931 100
134
Gummischürze
6905 100
140
Schaumstoff
6925 304
141
Schraube
0012 885
142
Buchse
6920 516
143
Scheibe
6925 305
144
WOLF-Garten-Marke
0051 146
Pos.
Bezeichnung
Ersatzteilnummer
43
Schraube M 5x16 DIN 933
0010 363
44
Scheibe 5,3 DIN 125
0017 125
45
6kt.-Mutter
0016 310
46
Scheibe A 6,4
0017 289
48
Hebel
6920 511
49
Achshälfte kpl. rechts
6925 052
51
Distanzstück
6925 502
52
Schelle
6925 504
53
Schraube M 8x20 DIN 7991
0011 445
55
Achshälfte kpl. links
6925 053
58
Lagerschale
6925 506
63
Spannstift 5x22 DIN 7344
0018 806
65
Mitnehmer
4277 504
66
Rad-Zahn
4277 507
67
Scheibe
6912 505
69
Antriebsrad
6912 050
79
Schraube M 4x12 DIN 933
0010 364
84
Abdeckung
6912 301
92
Schraube M 8x45 DIN 931
0010 334
93
Scheibe
6925 507
94
Schraube M 8x28 DIN 933
0010 309
95
Hülse
6925 508
96
Rückholfeder
6925 509
97
Hülse
6925 510
98
Konsole
6925 511
99
Buchse
6925 512
100
Riemenscheibe
6925 513
101
Riemenscheibe
6925 521
102
Kugellager
4253 109
103
Sich. Ring
4252 554
104
Scheibe
6925 514
105
Keilriemen
6925 515
106
Leitblech
6905 307
107
Prallschutz
6905 306
108
Verbindungsstange
6905 304
109
Heckklappe
6905 305
110
Gurt
6905 303
113
Griffhalter
6905 018
117
Schraube
0013 654
129
Scheibe
0017 121
132
Zahnscheibe A 6,4 DIN 6797
0017 849
145
Deckel
6966 506
146
Scheibe
6966110
147
Schraube
6966111
****
Montagesatz
6922 060
****
Sicherheitsetikett/Pictogramm
0051 224
****
Gebrauchsanweisung
0054 088
Gebrauchsanweisungen
Wolf
Handgeräte
Heckenscheren
Universalscheren
Handgrasscheren
Astscheren
Baumscheren
Baumpflege
Beleuchtungssysteme
Accuscheren
Häcksler
Sägen
Trimmer
Spindelmäher
Streuwagen / Portax
Schlauchwagen
Vertikutierer / Lüfter / Aerifizierer
Mäher
Accu
Benzin
Schiebe bis 42 cm
Schiebe ab 43 cm
Antrieb bis 42 cm
Antrieb ab 43 cm
2er
4er
6er
6.51 BA ( 1996 / 6950580-A )
6.46 BA ( 1996 / 6966580-A )
Datenblatt (6966580a-1996-1)
Griffoberteil/ Messerstop (6966580a-1996-2)
Griffteile (6966580a-1996-3)
6.46 BA (6966580a-1996-4)
6.46 BA (6966580a-1996-5)
XE, XTE, XTL 35/40/45/50-I/C-ES ( 1996 / 2069050- )
XE, XTE 35/40-50/55 ( 1996 / XEXTE_35-55- )
6.46 BAM ( 1996 / 6948580-A )
6.51 BA ( 2000 / 6950580-A )
Moto-Verte
Concept
Premio
Power Edition
Esprit
Sonstige
Elektrostart / Touch&Mow
Elektro
Aufsitzmäher
Benzinmotoren
Zubehör
Impressum
(C) by motoruf