Zurück zu
motoruf
Warenkorb

Ersatzteillisten für Toro Roth / TORO Vorderachse




Pos.BezeichnungErsatzteilnummer
Ersatzteilliste


Pos.BezeichnungErsatzteilnummer
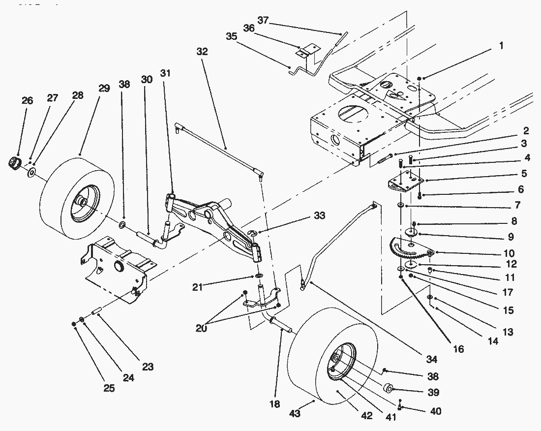
1MUTTER3296-29
2Schraube323-13
3Schraube3231-4
4Schraube3230-3
5Bracket-Steering Rack88-5130
6Schraube3230-1
7Distanzbuechse88-5010
8Fettnippel302-26
9Buechse88-4670
10Lenksegment88-5200
11Buechse52-2891
12Platte111419
13Scheibe3256-25
14Splint3272-10
15Mutter3296-39
16MUTTER3296-29
17Scheibe5-4460
18Spindle-L.H.93-3833
20Stopmutter3296-5
21Scheibe3-6498
23Spacer-Front Axle88-5470
24Scheibe3256-24
25Mutter3296-39
26Abdeckung61-9780
27Splint3272-12
28Scheibe28-2480
291Rim-Front Wheel88-4370
292Tire-13 4 4 5_875004 2 71180 Tire-1388-4070
293Ventil232-27
294Bearing-Wheel88-4400
295Schmiernippel302-5
296Schlauch232-39
30Spindle-R.H.92-7889
31Axle-Front94-1990
32Spurstange93-3873
33Seegerring32151-48
34Lenkgestaenge93-3840
35Bremsgestaenge88-5510
36Bracket-Parking Brake88-5520
37Griff88-0890
38Scheibe3-6498
Gebrauchsanweisungen
Toro
Impressum
(C) by motoruf