Zurück zu
>
Roth / TORO
>
Aufsitzmäher
>
Rider
>
8-25
>
372/70060
>
49000001
>
Vorderachse
Ersatzteillisten für Toro Roth / TORO Vorderachse
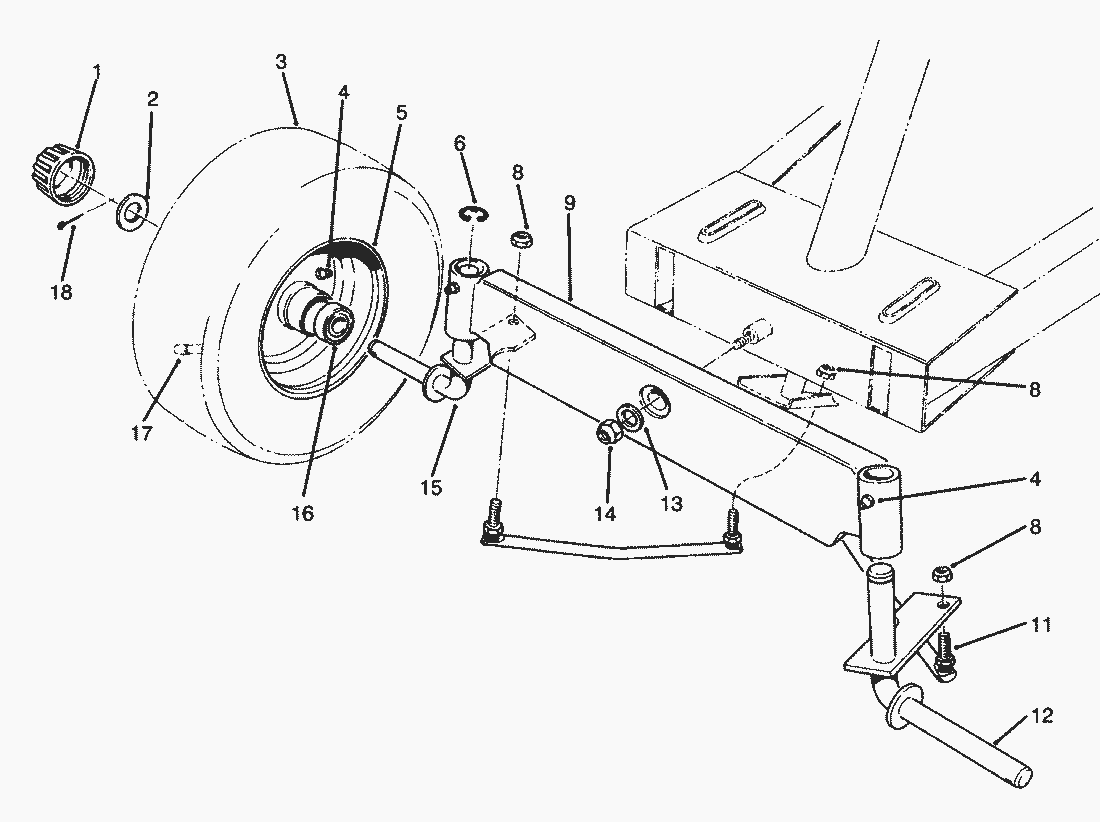
Pos.
Bezeichnung
Ersatzteilnummer
1
Abdeckung
61-9780
2
Scheibe
28-2480
3
Reifen 11x4.00-5
231-116
4
Schmiernippel
302-5
5
Felge
217-80
6
Seegerring
32151-48
8
Mutter
3296-4
9
Axle-Front
67-0990
11
Spurstange
67-0880
12
Achsschenkel L.
67-0810-01
13
Scheibe
3256-26
14
Stopmutter
3296-25
15
Achsschenkel R.
67-0800-01
16
Lager
110513
17
Ventil
232-27
18
Splint
3272-12
Gebrauchsanweisungen
Toro
Roth / TORO
Aufsitzmäher
Traktor
Rider
HMR 1600
12-32 E
12-32
11-32
10-32 E
8-25
372/70122
372/70060
89000001
79000001
59000001
49000001
Getriebe (Peerlesss Modell 700-025)
Motor B&S (Modell-Nr. 195707-0121-01)
Starter (B&S Nr. 195707-0121-01)
Schneideinheit
Differential
Hinterachse
Elektro-Schaltplan
Motor
Getriebe & Gestänge (Fortsetzung)
Getriebe & Gestänge
Heckteil
Vorderachse
Sitz & Kraftstofftank
Rahmen
Vorderteil
39000001
6900001
110-4E
110-4
Mähwerke
Zubehör
Handgeräte
Robin
Impressum
(C) by motoruf