Zurück zu
>
Roth / TORO
>
Aufsitzmäher
>
Traktor
>
267 H
>
505/72104
>
7900001
>
Tempomat Betätigung
Ersatzteillisten für Toro Roth / TORO Tempomat Betätigung
Pos.
Bezeichnung
Ersatzteilnummer
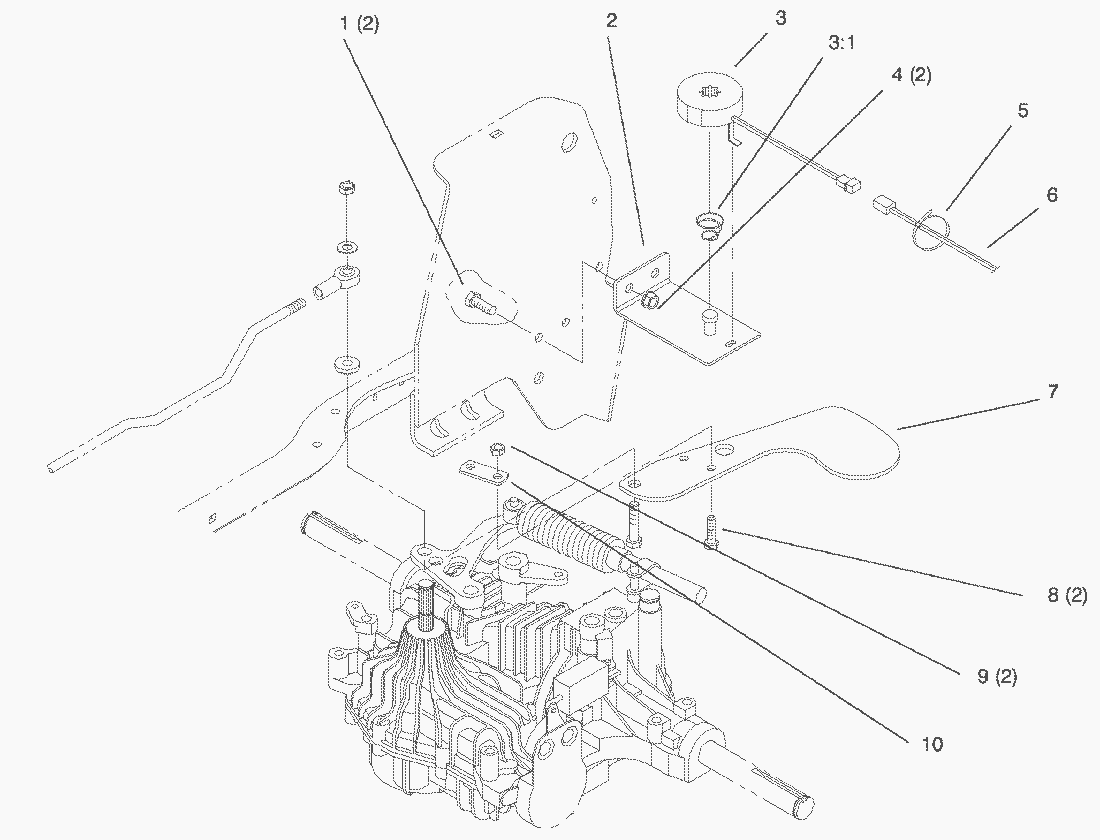
1
Schraube
323-6
2
Cruise Bracket (Only On: 72103)
93-0512-03
3
Magnet Assembly (INCL 7: Only On: 72103)
93-4366
31
Feder
93-6601
4
Mutter
3296-39
6
Kabelbaum
93-4364
7
Arm-Cruise (Only On: 72103)
93-0511
8
Schraube
322-5
9
MUTTER
3296-29
10
Clamp-Cruise (Only On: 72103)
93-0515
Gebrauchsanweisungen
Toro
Roth / TORO
Aufsitzmäher
Traktor
264-6
246 HE
244-5
212-H
212-5
17-44 HXLE
16-44 HXL
16-38 HXL
16-38 XLE
15-44 HXL
15-38 HXL
14-38 HXL
14-38 XL
13-38 HXL
13-38 XL
13-32 XLE
12-38 HXL
12-38 XL
12-32 XL
264 H
265 H
267 H
505/72104
6900001
7900001
Haube mit Grill
Armaturenbrett
Lenkrad mit Verstellung
unterer Lenkung
Vorderachse
Sitz
Kotflügel & Fußauflage
Zweizylinder Motor, Auspuff, Zapfwelle
Kupplung 92-6885
Batterie
Haubenhalter & Hitzeschutz
Kraftstofftank & Hydrauliktank
Aushubhebel & Schnitthöhe
Rahmen
Hydraulikantrieb
Hydraulik Bremse
Hydraulik Betätigung
Hydraulik-Getriebeachse
Tempomat Betätigung
Hinterrad
Kurbelwelle
Kurbelgehäuse
Ölwanne, Schmierung
Kopf, Ventil, Entlüftung
Zündung, Elektrik
Gebläsegehäuse & Leitbleche
Starteinrichtung
Kraftstoffsystem
Motor Betätigungen
Lufteinlaß/Filter
Auspuff
Getriebeachs-Gehäuse
Mittleres Gehäuse
Pumpenwelle
Motorwelle
Wählhebel
Bypass
Dämpfer
Neutralzentrierung
Bremssicherung
Differentialgetriebe
Ritzel
Getriebewelle
Bremse
8900001
8900600
268 H
270 H
520 xi
520 Lxi
523 Dxi
Rider
Mähwerke
Zubehör
Handgeräte
Robin
Impressum
(C) by motoruf