Zurück zu
>
Roth / TORO
>
Aufsitzmäher
>
Mähwerke
>
97cm Seit
>
538/78215
>
4900001
>
Schneideinheit
Ersatzteillisten für Toro Roth / TORO Schneideinheit
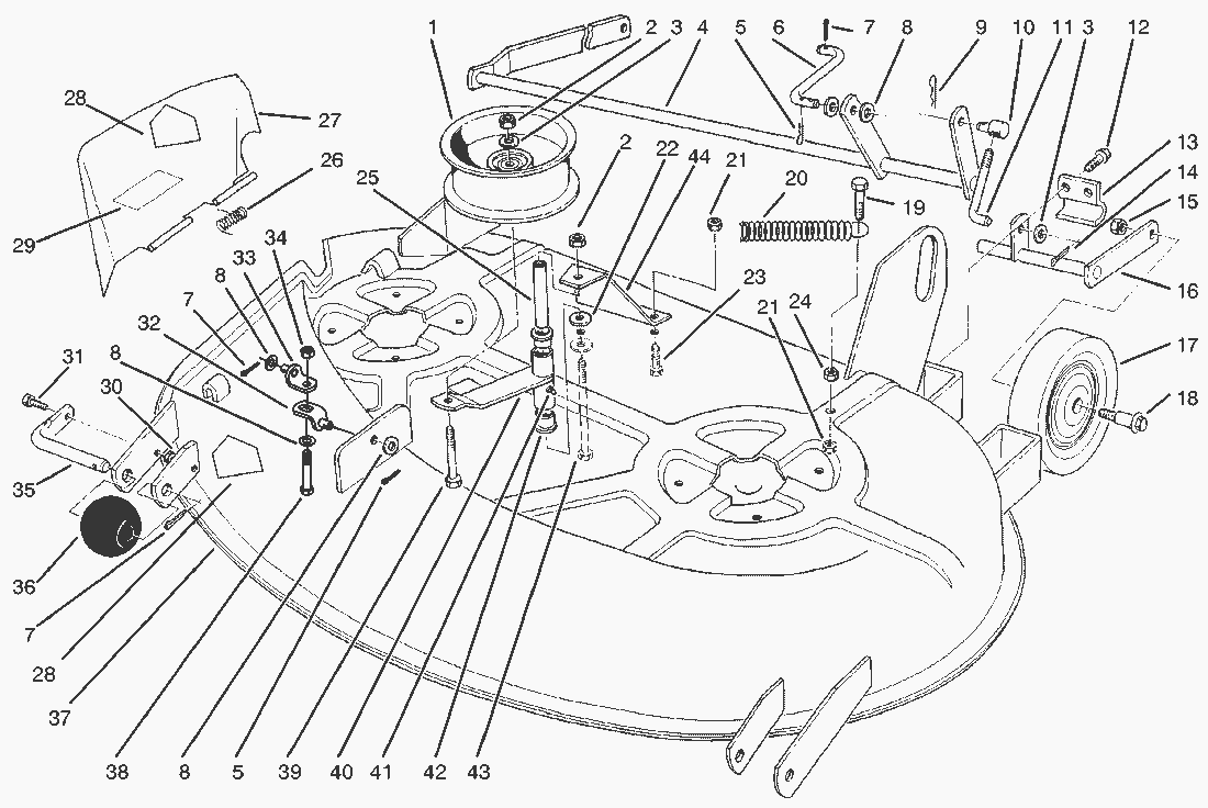
Pos.
Bezeichnung
Ersatzteilnummer
1
Pulley-Idler
78-8250
2
Mutter
3296-39
3
Scheibe
3256-24
4
Shaft-R.H.
78-8011
5
Splint
3272-21
6
Gestaenge
78-8071
7
Cotter-Hair Pin
933506
8
Scheibe
3256-26
9
Cotter-Hair Pin
933504
10
Zapfen
110656
11
Gestaenge
121010
12
Screw
926715
13
Camp
78-6400
14
Splint
3272-6
15
Nut-Hex
33146-2
16
Shaft-L.H.
78-7991
17
Rad
110506
18
Bolzen (5)
5188
19
Schraube
322-6
20
Feder
78-6210
21
MUTTER
3296-29
22
Scheibe (5)
2844
23
Schraube
322-3
24
Mutter
3217-6
25
Distanzbuechse
109950
26
Spring-Torsion
57-6950
27
Schwadenblech
92-5788
28
Klebeschild
93-1122
29
Klebeschild
92-7108
30
MUTTER
3296-42
31
Schraube
321-4
32
Hebel
86-9240
33
Hebel
86-9250
34
Mutter
3218-5
35
Rollenachse
118960
36
Rolle
29-4820
37
Deck/Safety Decal Assy.
92-8015
38
Schraube
325-13
39
Schraube
323-10
40
Arm-Idler
78-3370
41
Fettnippel
302-26
42
Buechse
109859
43
Schraube
323-16
44
Brace
78-8091
Gebrauchsanweisungen
Toro
Roth / TORO
Aufsitzmäher
Traktor
Rider
Mähwerke
91cm Heck
97cm Seit
313/05-38SL01
538/78215
3900001
4900001
Messer & Spindel
Schneideinheit
Abdeckung
538/78216
538/78218
107cm Seit
112cm Seit
122cm Seit
132cm Seit
152cm Seit
Zubehör
Handgeräte
Robin
Impressum
(C) by motoruf