Zurück zu
>
Roth / TORO
>
Handgeräte
>
Rasenmäher
>
2-Takt Radantrieb
>
295/26640 B
>
3900001
>
Regler (Modell-Nr. 47PN2-6)
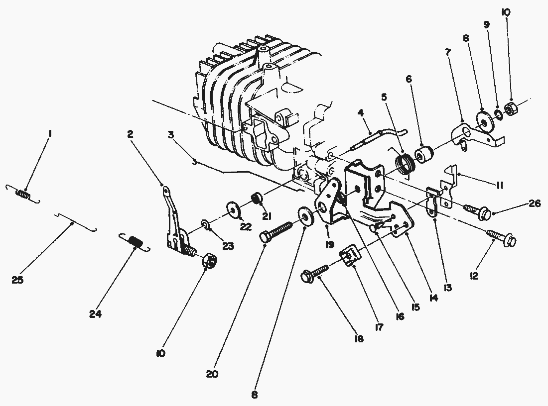
Ersatzteillisten für Toro Roth / TORO Regler (Modell-Nr. 47PN2-6)
Pos.
Bezeichnung
Ersatzteilnummer
1
FEDER
81-0920
2
REGLERARM KPL.
81-5420
3
HEBEL
81-5410
4
REGLERWELLE
81-0840
5
FEDER
81-2460
6
DISTANZBUECHSE
81-1770
7
HEBEL
81-2850
8
SCHEIBE
81-1750
9
SCHEIBE
81-1450
10
MUTTER
81-0900
11
ANSCHLAG
81-1840
12
SCHRAUBE
81-0540
13
ISOLIERSTUECK
81-1830
14
HALTER
81-2420
15
Niete
81-4530
16
SCHEIBE
81-2470
17
BOWDENZUGKLEMME
81-2430
18
SCHRAUBE
50-0130
19
HEBEL
81-1710
20
SCHRAUBE
81-1730
21
SIMMERRING
81-0850
22
SCHEIBE
81-0860
23
SPRENGRING
81-0870
24
FEDER
81-2830
25
GESTAENGE
81-0910
26
SCHRAUBE
81-1170
Gebrauchsanweisungen
Toro
Roth / TORO
Aufsitzmäher
Handgeräte
Kehrmaschinen
Schneefräsen
Sauger/Bläser
Rasenmäher
Grasfangvorrichtungen
4-Takt Radantrieb
4-Takt
2-Takt Radantrieb
295/26643
295/26643 B
295/26640 BC
295/26640 B
4900001
3900001
Auspuff (Modell-Nr. 47PN2-6)
Vergaser (Modell-Nr. 47PN2-6)
Regler (Modell-Nr. 47PN2-6)
Starter (Modell-Nr. 47PN2-6)
Zündung (Modell-Nr. 47PN2-6)
Teilemotor (Modell-Nr. 47PN2-6)
Fangkorb
Antrieb Betätigung
Holm
Getriebegehäuse (Fortsetzung)
Getriebegehäuse
Messer
Motor
Gehäuse
287/20916B
277
255/22700 BC
255/22700
239
237/22045
237/22045 B
237/22044 BC
237/22036
237/22035
234
224
222/16212 WG
2-Takt
Elektro
Akku
Robin
Impressum
(C) by motoruf