Zurück zu
>
Roth / TORO
>
Aufsitzmäher
>
Traktor
>
270 H
>
506/72110
>
7900001
>
Neutralzentrierung
Ersatzteillisten für Toro Roth / TORO Neutralzentrierung
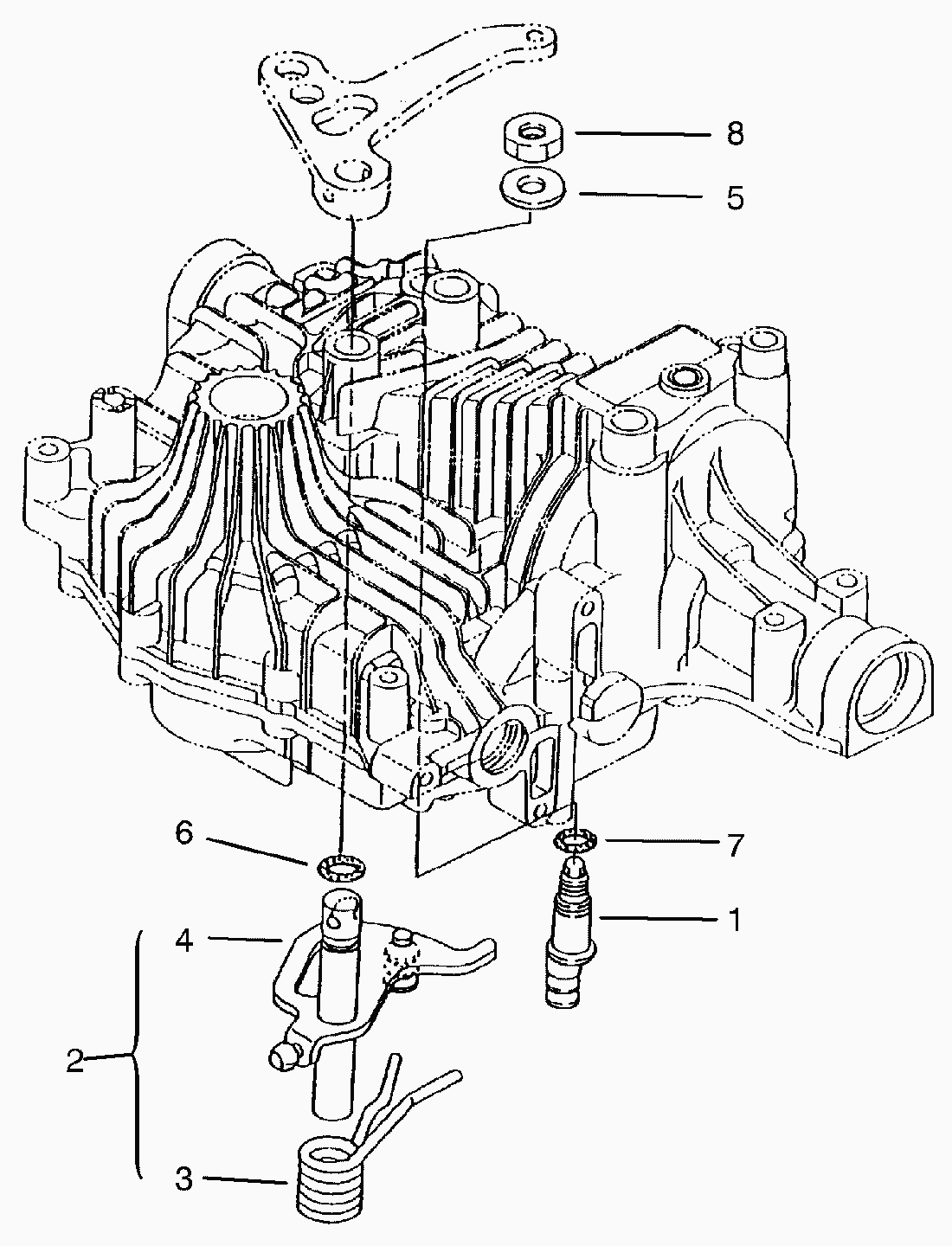
Pos.
Bezeichnung
Ersatzteilnummer
1
Fulcrum (Only On: 72083, 72043 72103, 72063)
93-0413
2
Schaft
93-0414
3
4
5
Washer (Only On: 72083, 72043, 72103, 72063)
93-0417
6
Packing (Only On: 72083, 72043, 72103, 72063)
93-0418
7
Dichtung
93-0419
8
Mutter
93-0420
Gebrauchsanweisungen
Toro
Roth / TORO
Aufsitzmäher
Traktor
264-6
246 HE
244-5
212-H
212-5
17-44 HXLE
16-44 HXL
16-38 HXL
16-38 XLE
15-44 HXL
15-38 HXL
14-38 HXL
14-38 XL
13-38 HXL
13-38 XL
13-32 XLE
12-38 HXL
12-38 XL
12-32 XL
264 H
265 H
267 H
268 H
270 H
506/72110
6900001
7900001
Haube mit Grill
Armaturenbrett
Lenkrad mit Verstellung
untere Lenkung
Vorderachse
Sitz
Kotflügel & Fußauflage
Zweizylinder Motor, Auspuff, und Zapfwelle
Kupplung 92-6885
Batterie
Haubenhalter & Hitzeschutz
Kraftstofftank & Hydrauliktank
Aushubhebel & Schnitthöhe
Aushebung
Rahmen
Hydraulik Antrieb
Hydraulikbremse
Hydraulikbetätigung
Hydraulik-Getriebeachse
Tempomat Betätigung
Hinterrad
Getriebeachs-Gehäuse
Mittleres Gehäuse
Pumpenwelle
Motorwelle
Wählhebel
Bypass
Dämpfer
Neutralzentrierung
Bremssicherung
Differentialgetriebe
Ritzel
Schwenkachse
Bremse
Pumpe
Kurbelwelle
Kurbelgehäuse
Ölwanne, Schmierung
Kopf, Ventil, Entlüftung
Zündung, Elektrik
Gebläsegehäuse & Leitbleche
Starteinrichtung
Kraftstoffsystem
Motor Betätigungen
Lufteinlaß/Filter
Auspuff
8900001
8900600
506/72115
520 xi
520 Lxi
523 Dxi
Rider
Mähwerke
Zubehör
Handgeräte
Robin
Impressum
(C) by motoruf