Zurück zu
>
Roth / TORO
>
Handgeräte
>
Rasenmäher
>
2-Takt Radantrieb
>
237/22045 B
>
6900001
>
Motor
Ersatzteillisten für Toro Roth / TORO Motor
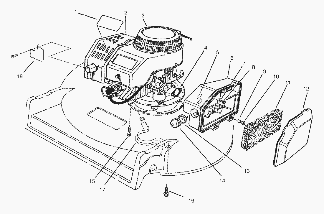
Pos.
Bezeichnung
Ersatzteilnummer
1
Schild
71-1260
2
Zweitaktmotor
51-0404
3
Klebeschild
77-0040
4
DICHTUNG
81-0090
5
Schlauch
44-3172
6
Luftfiltergehaeuse
63-9330
7
SCHEIBE
3256-16
8
SCHRAUBE
51-2690
9
Buechse
62-3980
10
Mutter
50-7180
11
Filtereinsatz
63-9380
12
Luftfilterdeckel
63-9340
13
Primer-Koerper
44-2750
14
Primerknopf
66-7460
15
Schraube
66-9300
16
Schraube
32144-70
17
Guide-Belt
66-0570
18
Guard-Muffler Extension
93-7661
Gebrauchsanweisungen
Toro
Roth / TORO
Aufsitzmäher
Handgeräte
Kehrmaschinen
Schneefräsen
Sauger/Bläser
Rasenmäher
Grasfangvorrichtungen
4-Takt Radantrieb
4-Takt
2-Takt Radantrieb
295/26643
295/26643 B
295/26640 BC
295/26640 B
287/20916B
277
255/22700 BC
255/22700
239
237/22045
237/22045 B
6900001
Vergaser (Modell-Nr. 47PS5-7)
Starter (Modell-Nr. 47PS5-7)
Regler (Modell-Nr. 47PS5-7)
Zündung (Modell-Nr. 47PS5-7)
Auspuff (Modell-Nr. 47PS5-7)
Kurbelwelle (Modell-Nr. 47PS5-7)
Fangkorb Nr. 11-5609
Antrieb Betätigung
Kraftstofftank
Holm
Getriebegehäuse (Fortsetzung)
Getriebegehäuse
Messerbremse Kupplung
Motor
Gehäuse (Fortsetzung)
Gehäuse
237/22044 BC
237/22036
237/22035
234
224
222/16212 WG
2-Takt
Elektro
Akku
Robin
Impressum
(C) by motoruf