Zurück zu
motoruf
Warenkorb

Ersatzteillisten für Toro Roth / TORO Motor




Ersatzteilliste


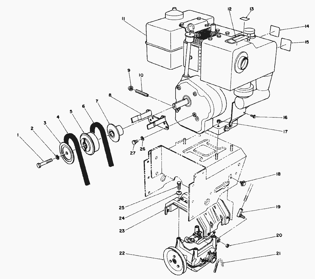
Pos.BezeichnungErsatzteilnummer
1Schraube3212-8
2Federring3253-6
3Riemenscheiben-Haelfte62-0940
4Keilriemen63-2964
5Riemenscheibe62-0930
6Keilriemen63-2953
7Nabe62-0920
8Guide-Belt63-2970
9Oelablasschraube288-4
10Rohrverlaengerung289-20
11
12Decal-Hot Surface (Model No. 38500)62-7290
Klebeschild63-2310
13Decal-Choke (Model No. 38580)63-2360
Decal-Choke (Model No. 38565)63-2460
14Decal-Primer63-2320
15Decal-Throttle63-2340
16Schraube2210-250
17Mutter32128-20
18Schraube3234-7
19Kugelgelenk63-2640
20Stopmutter3296-6
21Kette63-2930
22Transmission Assembly62-0190
23Frame-Transmission63-2990
24Washer-Belleville3290-461
25Schraube11-0590
26Federring3253-4
27Schraube3210-1
Gebrauchsanweisungen
Toro
Impressum
(C) by motoruf