Zurück zu
>
Roth / TORO
>
Aufsitzmäher
>
Traktor
>
212-H
>
303/R2-12OE02
>
2000001
>
Motor Zylinderblock
Ersatzteillisten für Toro Roth / TORO Motor Zylinderblock
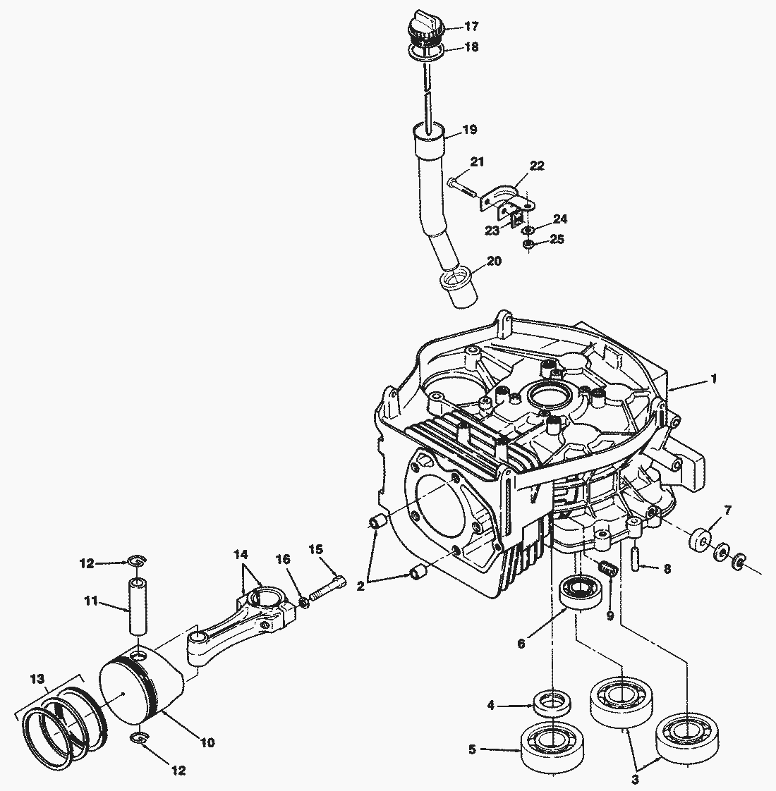
Pos.
Bezeichnung
Ersatzteilnummer
Kit-Connecting Rod (.50mm Undersize)(Incl. Ref.
NN10589
Kit-Piston (.50mm Oversize)(Incl. Ref.
NN10581
Kit-Piston (.25mm Oversize)(Incl. Ref.
NN10580
Kit-Piston (Standard)(Incl. Ref.
NN10579
Pos.
Bezeichnung
Ersatzteilnummer
1
Block-Cylinder
NN10852
2
Pin-Dowel
NN10626
3
Bearing-Ball
NN10678
4
Simmerring 509-0258
NN10569
5
Bearing-Crankshaft
NN10570
6
Bearing-Camshaft
NN10571
7
Seal-Governor Shaft
NN10646
8
Pin-Alignment
79-5840
9
Plug-Pipe
NN10653
11
Pin-Piston
NN10582
12
Ring-Retaining
NN10583
13
Set-Piston Ring (Standard)
NN10584
Set-Piston Ring (.25mm Oversize)
NN10585
Set-Piston Ring (.50mm Oversize)
NN10586
14
Pleuel 114-0357
NN10587
Kit-Connecting Rod (.25mm Undersize)(Incl. Ref. 15 & 16)
NN10588
15
Bolt
NN10590
16
Washer
NN10591
17
Oelmess-Stab 123-1875
NN10688
18
O-Ring
57-9610
19
Rohr 123-1873
NN10689
20
Seal
NN10690
21
Schraube
82-1560
22
Bracket-Support
NN10691
23
Blechmutter
82-1700
24
Scheibe 853-0016
NN10740
25
Nut
NN10768
Gebrauchsanweisungen
Toro
Roth / TORO
Aufsitzmäher
Traktor
264-6
246 HE
244-5
212-H
303/R2-12OE02
2000001
Schilder & Verschiedenes
Motor Vergaser
Motor Starter
Motor Schwungrad & Abdeckung
Motor Regler Gestänge & Abdeckung
Motor Luftfilter
Motor Zündung
Motor Zylinderkopf & Ventile
Motor Ölwanne & Pumpe
Motor Kurbelwelle & Nockenwelle
Motor Zylinderblock
Motor & Auspuff
Motor-Riemenscheibe & Zapfwellenkupplung
Bremse & Spannrolle (212-H)
Getriebegestänge (212-H)
Bürsten Zapfwelle (212-H)
Getriebe (210-H & 212-H)
Bremse & Spannrolle (212-5)
Bürsten Zapfwelle (212-5)
Peerless Getriebe Modell-Nr. 930-020* (212-5)
Getriebe (212-5)
Rad & Reifen
Vorderachse & Lenkung
Elektrik
Rahmen
Sitz
Rahmen
303/R2-12OE01
212-5
17-44 HXLE
16-44 HXL
16-38 HXL
16-38 XLE
15-44 HXL
15-38 HXL
14-38 HXL
14-38 XL
13-38 HXL
13-38 XL
13-32 XLE
12-38 HXL
12-38 XL
12-32 XL
264 H
265 H
267 H
268 H
270 H
520 xi
520 Lxi
523 Dxi
Rider
Mähwerke
Zubehör
Handgeräte
Robin
Impressum
(C) by motoruf