Zurück zu
>
Roth / TORO
>
Handgeräte
>
Rasenmäher
>
2-Takt Radantrieb
>
287/20916B
>
1000001
>
Motor (Modell-Nr. 20916B)
Ersatzteillisten für Toro Roth / TORO Motor (Modell-Nr. 20916B)
Pos.
Bezeichnung
Ersatzteilnummer
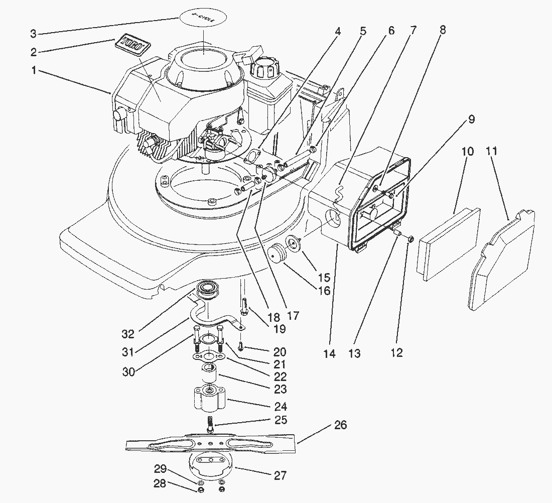
1
Motor Zweitakt
77-2800
2
TORO SCHILD
46-8290
3
KLEBESCHILD
57-3110
4
DICHTUNG
81-0090
5
BENZINSCHLAUCH
51-3215
6
SCHLAUCHKLEMME
2412-95
7
Schlauch
44-3172
8
SCHEIBE
3256-16
9
SCHRAUBE
51-2690
10
Filtereinsatz
63-9380
11
Luftfilterdeckel
63-9340
12
Mutter
50-7180
13
Buechse
62-3980
14
Luftfiltergehaeuse
63-9330
15
Primer-Koerper
44-2750
16
Primerknopf
66-7460
17
BENZINVORFILTER
56-6360
18
BENZINSCHLAUCH
51-3216
19
Schraube
66-9302
20
Schraube
32144-4
21
Sicherungsblech
71-9220
22
Federblech
71-8840
23
Mitnehmernabe
71-8780
24
Messernabe
71-8790
25
Schraube
71-8950
26
Blade-48cm
71-8210
27
Cup-Anti-Scalp
42-0910
28
MUTTER
52-3620
29
Scheibe
40-1940
30
Messerschraube
71-8940
31
Guide-Belt Engine (Model No. 20915 Only)
71-7960
32
Pulley-Driver (Model No. 20915 Only)
62-7550
Gebrauchsanweisungen
Toro
Roth / TORO
Aufsitzmäher
Handgeräte
Kehrmaschinen
Schneefräsen
Sauger/Bläser
Rasenmäher
Grasfangvorrichtungen
4-Takt Radantrieb
4-Takt
2-Takt Radantrieb
295/26643
295/26643 B
295/26640 BC
295/26640 B
287/20916B
2000001
1000001
Auspuff (Modell-Nr. 47PL0-6)
Vergaser (Modell-Nr. 47PL0-6)
Regler (Modell-Nr. 47PL0-6)
Starter (Modell-Nr. 47PL0-6)
Zündung (Modell-Nr. 47PL0-6)
Kurbelwelle (Modell-Nr. 47PL0-6)
Fangkorb
Holm (Antrieb)
Getriebe Nr. 71-8250 (Modell-Nr. 20916B)
Hinterachse (Antrieb)
Motor (Modell-Nr. 20916B)
Gehäuse (Modell-Nr. 20916B)
277
255/22700 BC
255/22700
239
237/22045
237/22045 B
237/22044 BC
237/22036
237/22035
234
224
222/16212 WG
2-Takt
Elektro
Akku
Robin
Impressum
(C) by motoruf