Zurück zu
>
Roth / TORO
>
Aufsitzmäher
>
Traktor
>
264-6
>
501/72062
>
4900001
>
Lenkrad mit Verstellung
Ersatzteillisten für Toro Roth / TORO Lenkrad mit Verstellung
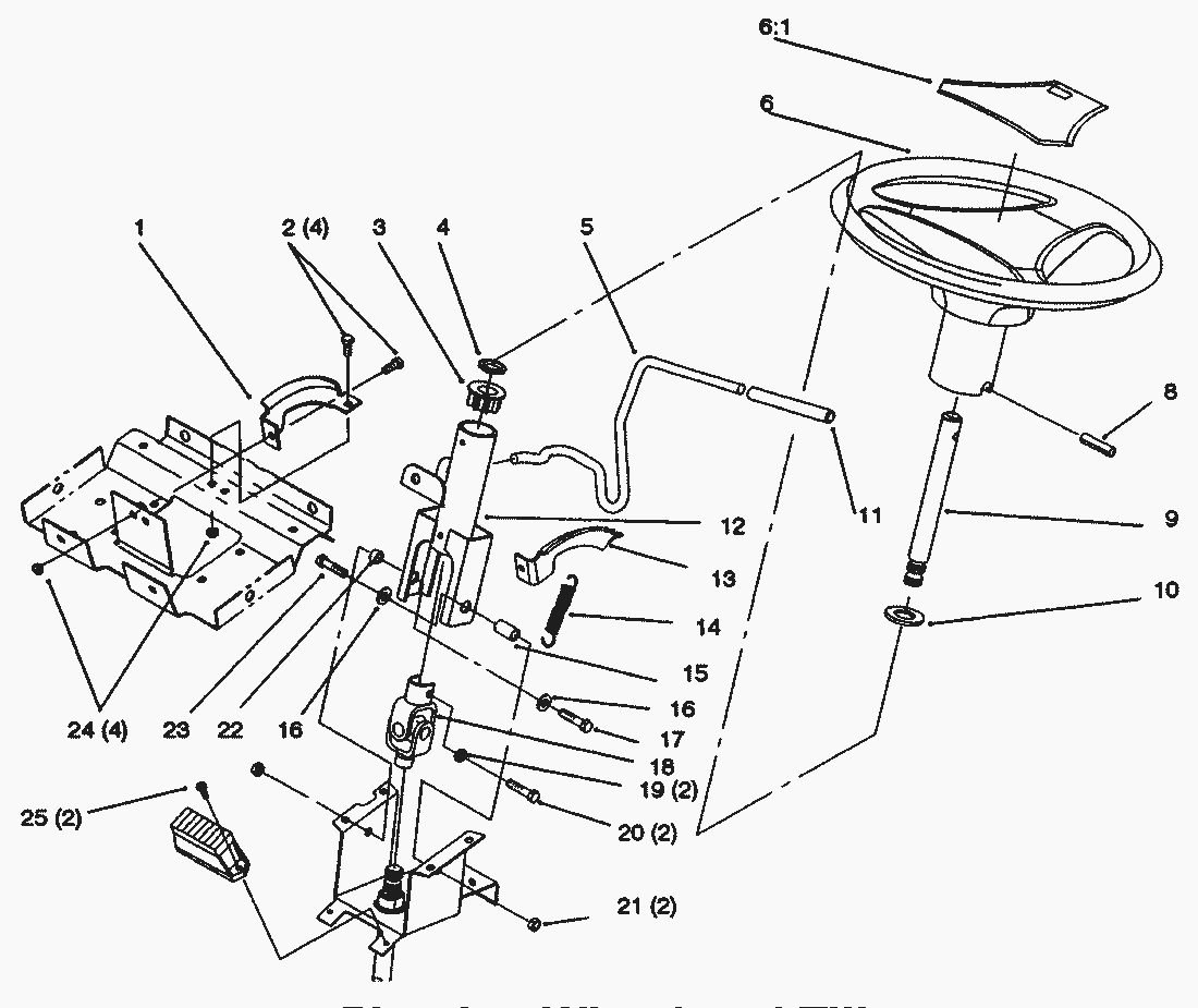
Pos.
Bezeichnung
Ersatzteilnummer
1
Buegel
92-6777-03
2
Schraube
321-4
3
Lenkungsbuechse
93-1146
4
Wellenscheibe
7896
5
Hebel
92-6971
6
Wheel-Steering (Incl. Ref.
88-3850
6
Lenkrad
92-6657
61
Lenkungsabdeckung
88-3870
8
Spannstift
32121-111
9
Lenkwelle
92-6704
10
Scheibe
3256-28
11
Schutzkappe
92-6798
12
Stuetze
93-1148-03
13
Halterung
92-6776
14
Zugfeder
93-1357
15
Buechse
92-6999
16
Scheibe
3256-23
17
Schraube
322-3
18
Kreuzgelenk
92-6717
19
Federring
3253-4
20
Screw-HH
48-7730
21
MUTTER
3296-29
22
Buechse
92-6998
23
Schraube
322-17
24
Stopmutter
3296-8
25
Schraube
32144-8
Gebrauchsanweisungen
Toro
Roth / TORO
Aufsitzmäher
Traktor
264-6
501/72062
4900001
Kopf, Ventil, Entlüftung
Auspuff
Lufteinlaß/Filter
Motor Betätigungen
Kraftstoffsystem
Starteinrichtung
Gebläsegehäuse & Leitbleche
Zündung, Elektrik
Zylinderkopf, Ventil, Entlüftung
Ölwanne, Schmierung
Kurbelgehäuse
Kurbelwelle
Kupplung & Bremsgetriebe
Hinterrad
Rahmen
Aushubhebel & Schnitthöhe
Haubenhalter & Hitzeschutz
Kotflügel & Fußauflage
Kraftstofftank & Hydrauliktank
Sitz
Vorderachse
untere Lenkung
Lenkrad mit Verstellung
Armaturenbrett
Haube mit Grill
Hydraulik Antrieb
Gear Antrieb
Zweizylinder Motor, Auspuff, und Zapfwelle
Einzylinder Motor, Auspuff, und Zapfwelle
Kupplung 92-6885
Batterie
Hydraulikbremse
Hydraulikbetätigung
Hydraulik-Getriebeachse
Getriebeachse
Getriebe-Schaltgestänge
Getriebeachse Peerless 820-024
Getriebeachs-Gehäuse
Mittleres Gehäuse
Pumpenwelle
Motorwelle
Wählhebel
Bypass
Dämpfer
Neutralzentrierung
Bremssicherung
Differentialgetriebe
Ritzel
Getriebewelle
Bremse
5900001
5900228
6900001
246 HE
244-5
212-H
212-5
17-44 HXLE
16-44 HXL
16-38 HXL
16-38 XLE
15-44 HXL
15-38 HXL
14-38 HXL
14-38 XL
13-38 HXL
13-38 XL
13-32 XLE
12-38 HXL
12-38 XL
12-32 XL
264 H
265 H
267 H
268 H
270 H
520 xi
520 Lxi
523 Dxi
Rider
Mähwerke
Zubehör
Handgeräte
Robin
Impressum
(C) by motoruf