Zurück zu
>
Roth / TORO
>
Aufsitzmäher
>
Traktor
>
244-5
>
308/72060
>
3900001
>
Kraftstofftank & Lenkung Halter
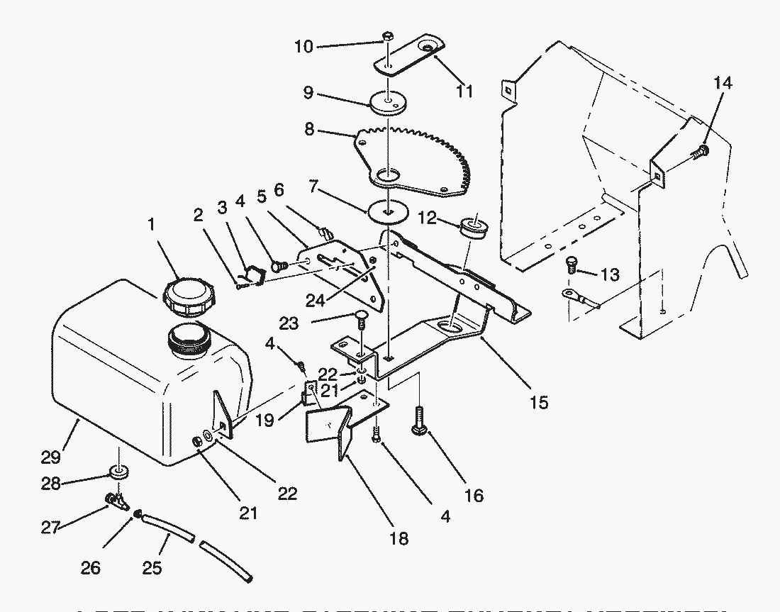
Ersatzteillisten für Toro Roth / TORO Kraftstofftank & Lenkung Halter
Pos.
Bezeichnung
Ersatzteilnummer
1
Tankdeckel
111474
2
Screw
910948
3
Sicherheitsschalter
115230
4
S.W. Form Screw
926720
5
Plate
78-8165
6
Clip
519337
7
Platte
111419
8
Lenkscheibe
78-2610
9
Platte
111418
10
Nut
108886
11
Plate
78-9190
12
Buechse
110391
13
Screw-Hex Hd.
926694
14
Schloss Schraube
3230-23
15
Bracket-Steering
78-1193
16
Bolzen
3231-25
18
Stop
78-2491
19
Klemme
8830
21
MUTTER
3296-29
22
Scheibe
3256-23
23
Bolt-Carriage
906215
24
Mutter
915732
25
Benzinschlauch
92-1798
26
Klemme
2412-98
27
Benzinhahn
104048
28
Bushing
104047
29
Tank-Fuel
111473
Benzintank
112153
Gebrauchsanweisungen
Toro
Roth / TORO
Aufsitzmäher
Traktor
264-6
246 HE
244-5
308/72060
3900001
Getriebeachse (Peerlesss Modell-Nr. 801-062)
Elektro-Schaltplan
Starter
Reglergestänge & Abdeckung
Vergaser und Kraftstoffpumpe
Luftfilter
Gebläsegehäuse & Zündung
Zylinderkopf & Ventile
Ölwanne & Pumpe
Kurbelwelle & Nockenwelle (Fortsetzung)
Kurbelwelle & Nockenwelle
Zylinderblock
Kotflügel & Sitz
Hinterrad & Getriebe
Bremse & Kupplung Pedal
Spannrolle & Pedalwelle
Aushubgestänge
Armaturenbrett
Lenkwelle & Anzeigen
Lenkrad & Konsole
Kraftstofftank & Lenkung Halter
Kupplung 92-1686
Batterie
Motor & Kupplung
Vorderachse
Hauptrahmen
Haube
212-H
212-5
17-44 HXLE
16-44 HXL
16-38 HXL
16-38 XLE
15-44 HXL
15-38 HXL
14-38 HXL
14-38 XL
13-38 HXL
13-38 XL
13-32 XLE
12-38 HXL
12-38 XL
12-32 XL
264 H
265 H
267 H
268 H
270 H
520 xi
520 Lxi
523 Dxi
Rider
Mähwerke
Zubehör
Handgeräte
Robin
Impressum
(C) by motoruf