Zurück zu
>
Roth / TORO
>
Aufsitzmäher
>
Rider
>
8-25
>
372/70060
>
59000001
>
Hinterachse
Ersatzteillisten für Toro Roth / TORO Hinterachse
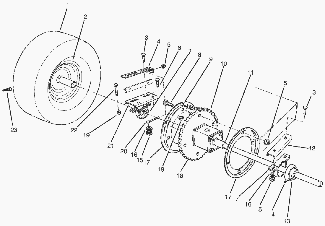
Pos.
Bezeichnung
Ersatzteilnummer
1
Reifen
231-115
2
Felge
44-9760
3
Schraube
3231-4
4
Plate-Adjusting
61-9990
5
MUTTER
3296-42
6
Bolzen
3231-25
7
Achslager
47-1480
8
Schraube
321-4
9
Kettenschloss
2710-11
10
Kette
67-0910
11
Differential
56-9960
12
Support L.H.
66-6630-03
13
Achslager
47-1490
14
Schraube
3245-32
15
Mutter
3296-39
16
Scheibe
3256-24
17
Kettenschutz
76-1580-03
18
Kettenrad
76-4010
19
MUTTER
3296-29
20
Augenschraube
61-9980
21
Support R.H.
66-6620-03
22
Schraube
46-2511
23
Ventil
232-27
Kit-Tire Chains (Optional)
11-0410
Gebrauchsanweisungen
Toro
Roth / TORO
Aufsitzmäher
Traktor
Rider
HMR 1600
12-32 E
12-32
11-32
10-32 E
8-25
372/70122
372/70060
89000001
79000001
59000001
Getriebe (Peerlesss Modell 700-025)
Motor B&S (Modell-Nr. 195707-0121-01)
Starter (B&S Nr. 195707-0121-01)
Schneideinheit
Differential
Hinterachse
Elektro-Schaltplan
Motor
Getriebe & Gestänge (Fortsetzung)
Getriebe & Gestänge
Heckteil
Vorderachse
Sitz & Kraftstofftank
Rahmen
Vorderteil
49000001
39000001
6900001
110-4E
110-4
Mähwerke
Zubehör
Handgeräte
Robin
Impressum
(C) by motoruf