Zurück zu
motoruf
Warenkorb

Ersatzteillisten für Toro Roth / TORO Heckteil




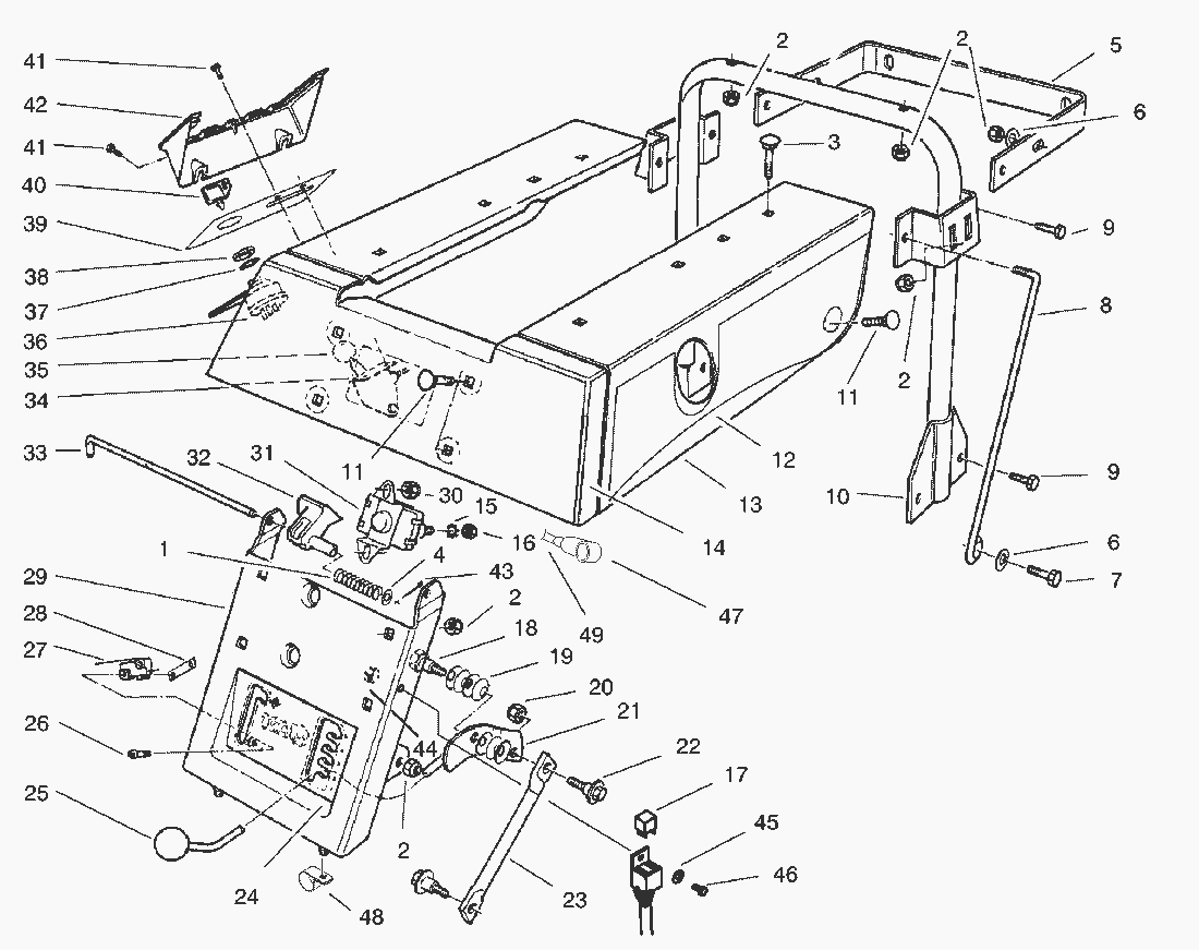
Pos.BezeichnungErsatzteilnummer
Switch-Ignition88-9830
Ersatzteilliste


Pos.BezeichnungErsatzteilnummer
1Feder71-8310
2MUTTER3296-29
3Schraube3230-3
4scheibe3256-22
5Buegel67-1500-03
6Scheibe3256-23
7Schraube322-5
8Brace-Support, Seat67-1480
9Schraube322-3
10Support W.A.-Seat67-0790-03
11Schraube3230-1
12Namensschild98-1456
Decal-Toro R.H.98-1457
13Body W.A.-Rear67-0231-01
14Klebeschild92-7978
15Federring3253-3
16Mutter3218-1
17Schaltrelais116397
18Bolzen28-0540
19Wellenscheibe3290-413
20Mutter3296-39
21Handle W.A.-H.O.C.67-0270
22Bolzen67-0870
23Gestaenge67-0080
24Decal-H.O.C. Deck Engage.92-7977
25Griff233-22
26Machine Screw3290-313
27Schalter88-9932
28Mutter3290-354
29Support W.A.-Seat67-1090-01
30MUTTER3296-42
31Solenoid-Starter47-1910
32Hebel80-4330
33Rod-Base, Seat80-4550
34Gaszug66-6640
35Griff233-25
37Lockwasher3254-5
38Flachmutter218-461
39Decal-Panel, Control92-7976
40Schluessel63-8360
41Schraube32144-42
42Cover-Panel, Control67-1030
43Splint3272-4
44Mutter3296-2
45Scheibe3256-14
46Schraube3290-134
47Schutzkappe93-3190
48Klemme18-2970
49Cable98-0707
Gebrauchsanweisungen
Toro
Impressum
(C) by motoruf