Zurück zu
motoruf
Warenkorb

Ersatzteillisten für Toro Roth / TORO Getriebe & Gestänge




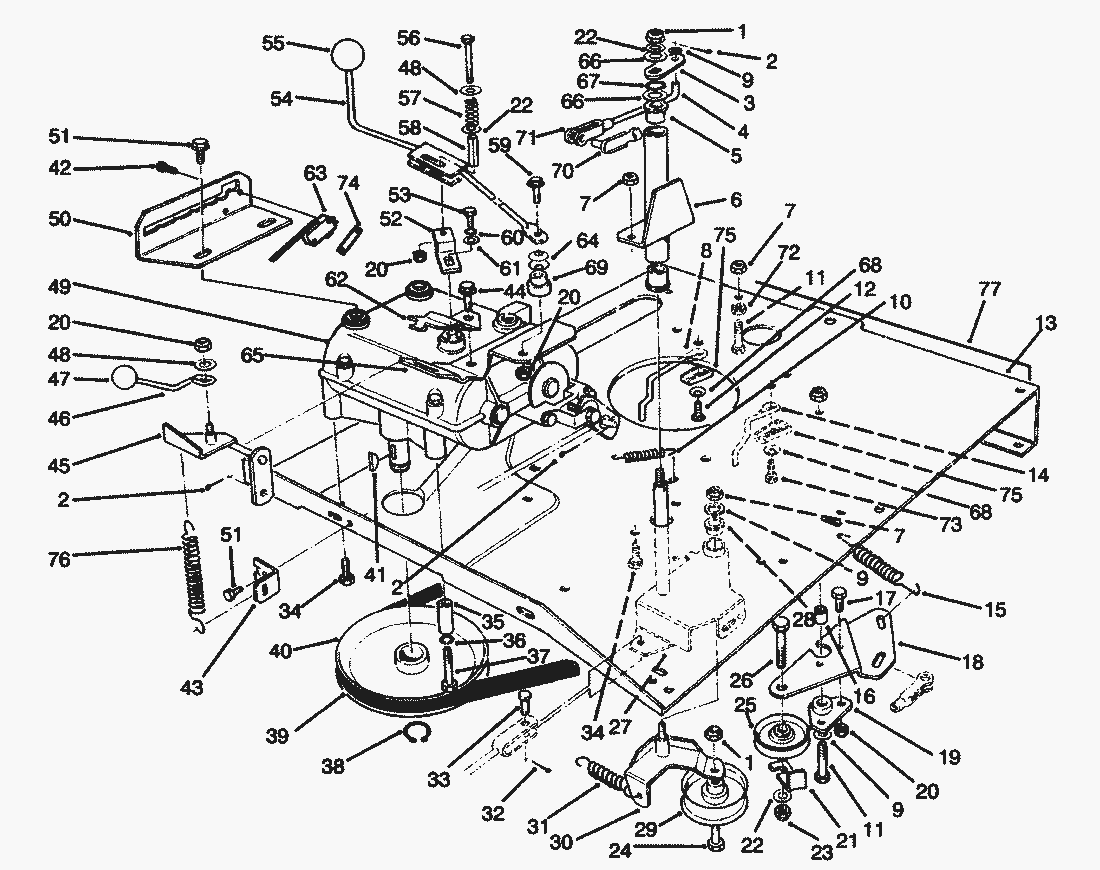
Pos.BezeichnungErsatzteilnummer
Bracket-Arm, Idler (Incl. Ref.67-0360-03
Tube W.A.-Pivot (Incl. Ref.67-0540-03
Ersatzteilliste


Pos.BezeichnungErsatzteilnummer
1Mutter3296-39
2Splint3272-6
3Flat-Deck Engage67-0690-03
4Gestaenge68-8370
5Buechse256-90
7MUTTER3296-29
8Riemenfuehrung67-0930
9Scheibe3256-23
10Feder26-6700
11Schraube322-6
12Schraube3230-2
13Plate-Engine76-4090-01
14Riemenfuehrung67-0940
15Zugfeder68-9950
16Buechse67-0410
17Schraube321-4
18Keilriemenspanner67-0420-03
19Aufhaengung67-0400
20MUTTER3296-42
21Riemenfuehrung12-9020
22Scheibe3256-24
23Mutter3296-59
24Schraube323-10
25Riemenscheibe12-5820
26Schraube323-8
28Buechse256-155
29Spannrolle56-9870
30Idler-Plate, Mount67-0330-0
31Zugfeder67-9170
32Schraube3274-4
33Bolzen283-67
34Schraube322-3
35Riemenfuehrung67-0920
36Federring3253-4
37Schraube322-10
38Ring32120-64
39Fahrantriebsriemen67-0900
40Riemenscheibe82-6450
41Keil3257-23
42Screw-Tapping147665
43Bracket-Mount, Spring67-0750-01
44Schraube32144-70
45Lever W.A.-Deck Engage67-0600-0
46Handle-Deck Engage67-0640
Gebrauchsanweisungen
Toro
Impressum
(C) by motoruf