Zurück zu
>
Roth / TORO
>
Handgeräte
>
Rasenmäher
>
2-Takt Radantrieb
>
237/22036
>
0000001
>
Gehäuse (Fortsetzung)
Ersatzteillisten für Toro Roth / TORO Gehäuse (Fortsetzung)
Pos.
Bezeichnung
Ersatzteilnummer
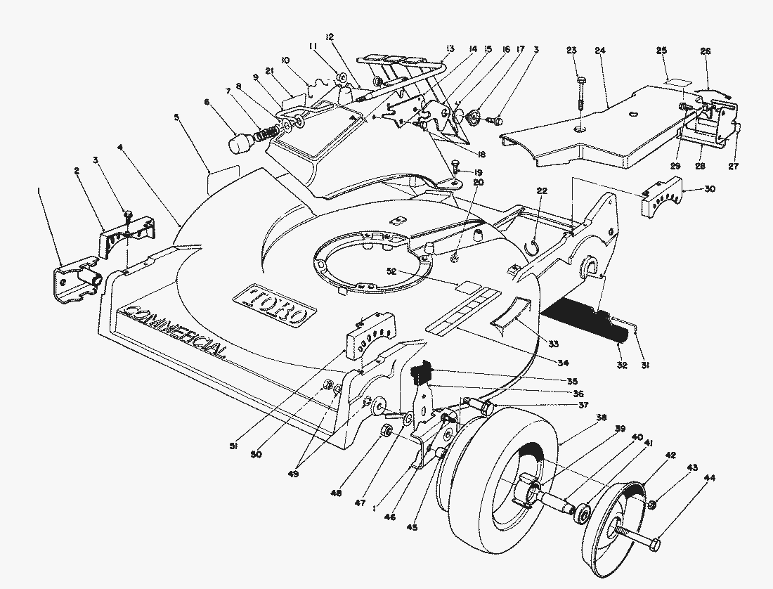
Chute & Door Assembly (Incl. Ref.
12-6689
Wheel & Tire Assembly (Incl. Ref.
53-7720
Pos.
Bezeichnung
Ersatzteilnummer
31
Haltestift
33-3208
32
Abdeckschild
44-0580
33
Schild
62-3950
34
Decal-Safety Instructions
74-2120
35
Hebelknopf
25-7740
36
Stellh.Kpl.Vorn
66-7560
37
Radbolzen
27-6231
38
Reifen
53-7740
39
Radnabe
52-2410
40
Radbuechse
52-2440
41
Radlager
52-2450
42
Plate-Wheel Half
53-7780
43
MUTTER
3296-42
44
Schraube
323-12
45
Buechse
52-2480
46
Schraube
321-2
47
Scheibe
257-3
48
Locknut
32152-2
49
Scheibe
40-1940
50
MUTTER
52-3620
51
Schalthebelkulisse
49-8760
52
Decal-Noise Level
66-2000
Gebrauchsanweisungen
Toro
Roth / TORO
Aufsitzmäher
Handgeräte
Kehrmaschinen
Schneefräsen
Sauger/Bläser
Rasenmäher
Grasfangvorrichtungen
4-Takt Radantrieb
4-Takt
2-Takt Radantrieb
295/26643
295/26643 B
295/26640 BC
295/26640 B
287/20916B
277
255/22700 BC
255/22700
239
237/22045
237/22045 B
237/22044 BC
237/22036
2000001
1000001
0000001
Vergaser (Modell-Nr. 47PK9-3)
Starter (Modell-Nr. 47PK9-3)
Regler (Modell-Nr. 47PK9-3)
Zündung (Modell-Nr. 47PK9-3)
Auspuff (Modell-Nr. 47PK9-3)
Teilemotor (Modell-Nr. 47PK9-3)
Seitauswurf Modell-Nr. 59110 (wahlw.)
Metall-Fangvorrichtung (Modell 22099)
Fangkorb Nr. 11-5609
Kraftstofftank
Holm
Getriebegehäuse (Fortsetzung)
Getriebegehäuse
Motor
Gehäuse (Fortsetzung)
Gehäuse
237/22035
234
224
222/16212 WG
2-Takt
Elektro
Akku
Robin
Impressum
(C) by motoruf