Zurück zu
>
Roth / TORO
>
Handgeräte
>
Rasenmäher
>
4-Takt
>
438
>
320000
>
Fahrwerk
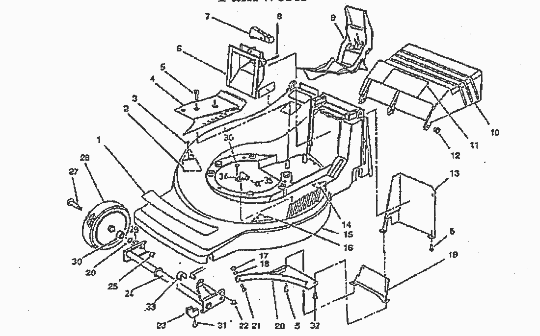
Ersatzteillisten für Toro Roth / TORO Fahrwerk
Pos.
Bezeichnung
Ersatzteilnummer
1
PVC-KLEBESCHILD
19349
2
Deflektor Rechts Vorne
19338
3
SCHRAUBE
19341
4
RIEMENABDECKUNG
18314
5
FORMSCHRAUBE
12393
6
Griffschale
18342
7
STELLTASTE
20010
8
Stift
18344
9
RECYCLER-VERSCHLUSSTUECK
19342
10
AUSWURFKLAPPE
19867
11
HINWEISSCHILD
19884
12
Holmlagerbuchse
18460
13
TRENNWAND
19965
14
DEFLEKTOR LINKS HINTEN
19340
15
MAEHERGEHAEUSE M. KICKER
19960
16
DEFLEKTOR LINKS VORNE
19339
17
Mutter
3296-2
18
SCHEIBE
19373
19
Leitblech
18301
20
ABDECKUNG
19371
21
SCHRAUBE
20126
22
Sicherungskappe
18867
23
ACHSHALTER
19584
24
Vorderachse
19275
25
STOPMUTTER
19624
26
Wellenscheibe
18868
27
RADBOLZEN
19623
28
Vorderrad
18304
29
SCHEIBE
18454
30
Radlager
18459
31
SCHRAUBE
18587
32
SCHRAUBE
13567
33
LAGERSCHALE VORN
19585
34
ANSCHLUSS-FITTING
20028
35
O-RING
20029
36
SCHRAUBE
20125
Gebrauchsanweisungen
Toro
Roth / TORO
Aufsitzmäher
Handgeräte
Kehrmaschinen
Schneefräsen
Sauger/Bläser
Rasenmäher
Grasfangvorrichtungen
4-Takt Radantrieb
4-Takt
486/20904 BC
486/20903 B
486/20902 B
486/20901 B
486/20900
478
476
455/20803
455/20803 B
455/20802 BC
455/20801 B
452
438
350000
340000
330000
320000
Motor B&S
Schaltbügel
Führungsholm
Fangkorb
Messer
Motor
Hinterachse
Fahrwerk
310000
300000
290000
280000
433
423
414/20814
414/20805
412
411
408
400
2-Takt Radantrieb
2-Takt
Elektro
Akku
Robin
Impressum
(C) by motoruf