Zurück zu
>
Roth / TORO
>
Handgeräte
>
Schneefräsen
>
zweistufig
>
924 PowerShift
>
628/38079
>
210000001
>
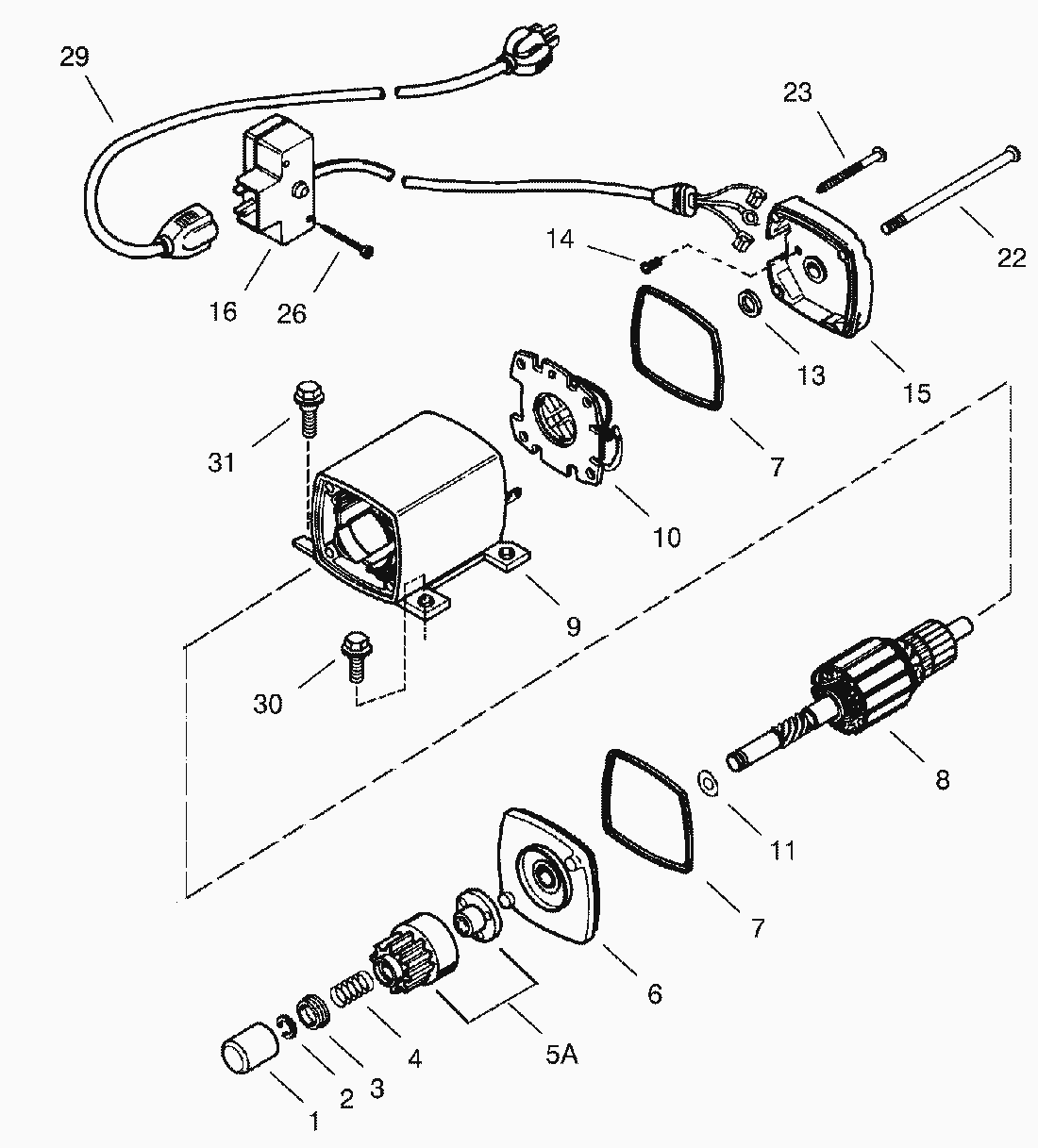
Elektrostarter (110 V)
Ersatzteillisten für Toro Roth / TORO Elektrostarter (110 V)
Pos.
Bezeichnung
Ersatzteilnummer
Cap Assy., Drive End (Incl. Ref.
35449
Cap Assy., Commutator end (Incl. Ref.
35453
Pos.
Bezeichnung
Ersatzteilnummer
1
Cover, Dust
33451
2
Reduzierring (5)
33842
3
Retainer, Spring
33430
4
Spring, Anti-drift
33431
5
Starterritzel
37050
7
Dichtung
35450
8
Armature
35915
9
Housing ASM
35451B
10
Card Assembly-Brush
35452A
11
Washer-Thrust
35911
13
Washer, Thrust
590500
14
Screw-Ground
33441
16
Schalter
35454
22
Bolt, Case
35455
23
Screw, Grounding
35456
26
Schraube
650819
26
Screw
651032
29
Cord, Electric (UL & CSA Approved) (10 6) 10 9 2_675012 1 38080 Cord, Electric (UL & CSA Approved) (10 6)
32450B
30
Schraube
30063
31
Schraube
650820
Gebrauchsanweisungen
Toro
Roth / TORO
Aufsitzmäher
Handgeräte
Kehrmaschinen
Schneefräsen
Zubehör
zweistufig
1332 PowerShift
1232 PowerShift
1132 PowerShift
1132
1028 PowerShift
924 PowerShift
628/38079
220000001
210000001
Starter Nr. 590749
Starter Nr. 590733 (wahlw.)
Elektrostarter (110 V)
Motor OHSK 90-221412B (nur bei: 38079)
Motor OHSK 90-221412B (nur bei: 38079)
Motor OHSK 90-221413B (nur bei: 38547)
Motor OHSK 90-221413B (nur bei: 38547)
Vergaser Nr. 640169
unterer Antrieb
Scheinwerfer Nr. 54-9871 (nur bei: 38079)
Holm & Betätigung
Power Shift Betätigung
Antrieb Getriebegehäuse Nr. 66-8030
Motor & Getriebe
Getriebegehäuse Nr. 74-1560
Gehäuse & Motor Rahmen
200000001
828 PowerShift
824 PowerShift
824 XL
824
724
624 PowerShift
622
521
3521
einstufig
Sauger/Bläser
Rasenmäher
Robin
Impressum
(C) by motoruf