Zurück zu
>
Roth / TORO
>
Aufsitzmäher
>
Traktor
>
12-32 XL
>
390/71200
>
3900001
>
Elektrik
Ersatzteillisten für Toro Roth / TORO Elektrik
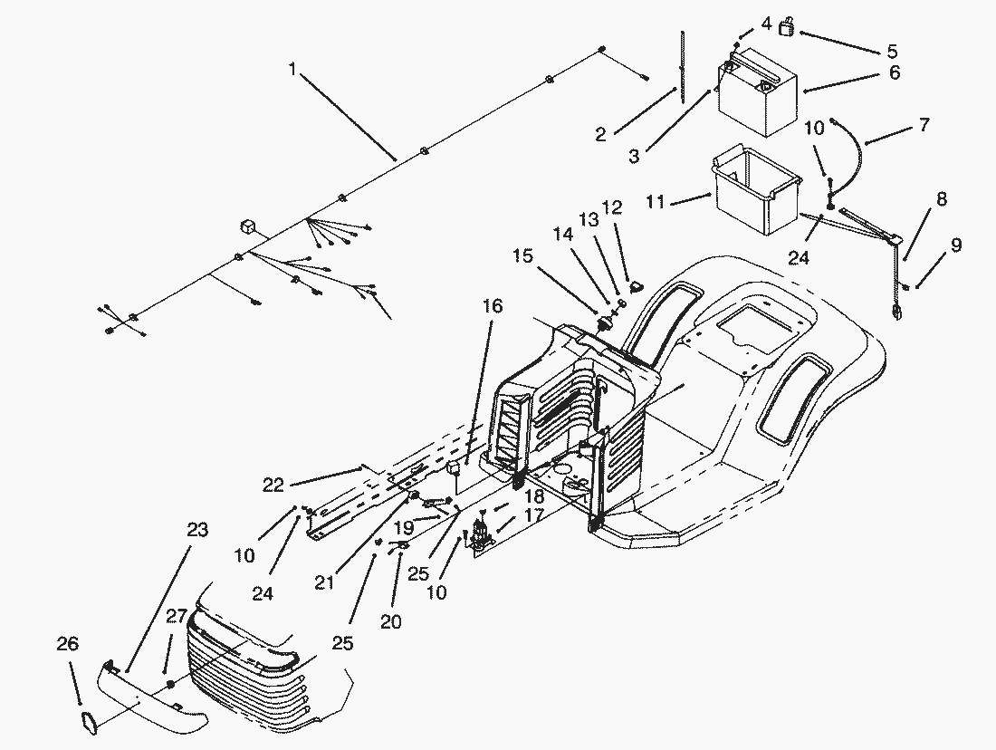
Pos.
Bezeichnung
Ersatzteilnummer
1
Harness-Wire
88-4310
2
Schlauch
56-2540
3
Schraube
321-4
4
Fluegelmutter
32103-22
5
Gummikappe
28-8080
6
Battery-7 Plate
80-2600
7
Massekabel
44-8110
8
Schalter
38-1420
9
Kabelklemme
702366
10
Schraube
32144-4
11
Batteriekasten
88-4040
12
Schluessel
63-8360
13
Flachmutter
218-461
14
Lockwasher
3254-5
15
Switch-Ignition
88-9830
16
Schaltrelais
116397
17
Solenoid-Starter
47-1910
18
Mutter
32149-2
19
Screw
910478
20
Switch-Micro
88-9931
21
Distanzbuechse
88-4880
22
Mutter
3290-354
23
Scheinwerferglas
88-3960
24
Scheibe
3255-7
25
Seal-Plunger
88-4480
26
Platte
80-2240
27
Klammer
3290-299
Gebrauchsanweisungen
Toro
Roth / TORO
Aufsitzmäher
Traktor
264-6
246 HE
244-5
212-H
212-5
17-44 HXLE
16-44 HXL
16-38 HXL
16-38 XLE
15-44 HXL
15-38 HXL
14-38 HXL
14-38 XL
13-38 HXL
13-38 XL
13-32 XLE
12-38 HXL
12-38 XL
12-32 XL
390/71201
390/71200
5910001
5900001
4900001
3900001
Peerlesss Getriebeachse Modell-Nr. 915-020
Motor B&S (Modell 283707-0156-01)
Motor B&S (Modell 254707-0128-01)
Riemenscheibe & Riemen (32 Schneideinheit) Pulley & Belt Assy. (32 Cutting Unit)
Gehäuse & Spindel (32 Schneideinheit) Deck & Spindle Assy. (32 Cutting Unit)
Schnitthöhe
Getriebeachse
Elektrik
Verstellung (Serie Nr. 3901529 & höher)
Verstellung (Serie Nr. 3900001-3901528)
Kupplung
Motor
Lenkung
Sitz
Vorderachse
Haube
Rahmen
264 H
265 H
267 H
268 H
270 H
520 xi
520 Lxi
523 Dxi
Rider
Mähwerke
Zubehör
Handgeräte
Robin
Impressum
(C) by motoruf