Zurück zu
>
Roth / TORO
>
Handgeräte
>
Schneefräsen
>
einstufig
>
CCR 3000
>
642/38435
>
7900001
>
Betätigung, Paneele & Abdeckung
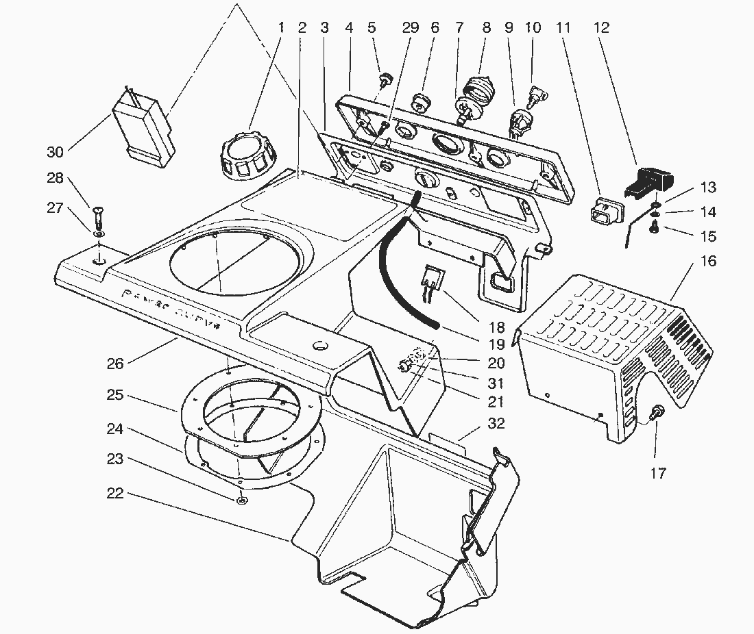
Ersatzteillisten für Toro Roth / TORO Betätigung, Paneele & Abdeckung
Pos.
Bezeichnung
Ersatzteilnummer
Control Panel Assembly (Incl. Ref.
12-4659
Pos.
Bezeichnung
Ersatzteilnummer
1
Gas Cap Assembly
55-3573
2
Decal-CCR-3000E GTS
94-8875
4
Name Plate Control (Model No. 38185)
61-4410
Name Plate Control (Model No. 38186)
94-2569
5
Schraube
32144-112
6
Seilfuehrung
55-9410
7
Primer-Koerper
44-2750
8
Primerknopf
66-7460
9
Zuendschloss
40-5940
10
Schluessel
63-8360
11
Passtueck
55-8820
12
Control-Choke (Model No. 38180)
55-8810
Starterklappe
55-8811
13
Chokgestaenge
94-2798
14
Scheibe
3256-49
15
Schraube
32144-111
16
Shield-Heat
55-9210
17
Schraube
32105-8
18
Steckverbindung
218-532
19
Hose-Primer
44-3171
20
Washer-Rubber
55-9660
21
Mutter
3296-12
22
Haube-U.T.
55-8791
23
Hutmutter
3290-474
24
Retainer-Chute Seal
55-9540
25
Seal-Chute
55-9260
26
Haubenoberteil
94-9899
27
scheibe
3256-22
28
Screw-Phillips
3250-32
29
Thread Forming Screw
32144-27
30
31
Scheibe
3256-14
32
Decal-Warning (Model No. 38185C)
61-4790
Gebrauchsanweisungen
Toro
Roth / TORO
Aufsitzmäher
Handgeräte
Kehrmaschinen
Schneefräsen
Zubehör
zweistufig
einstufig
Snow Commander
CCR 3650 GTS
CCR 3000
643/38437
643/38436
642/38435
9900001
8900001
7900001
Motor (Fortsetzung)
Motor (Modell-Nr. 47PT6-5)
Holm
StarterMotor & Schalter Gehäuse
Betätigung, Paneele & Abdeckung
Motor & Hauptrahmen
Rotor
Grassauswurf
Antrieb
Gehäuse
642/38433
642/38431
CCR 2450
CCR 2400
CCR 2000
CR 1000
CR 20
CR 20 R
S 620
S 200
CCR Powerlite
Sauger/Bläser
Rasenmäher
Robin
Impressum
(C) by motoruf