Zurück zu
>
Roth / TORO
>
Handgeräte
>
Schneefräsen
>
zweistufig
>
824 PowerShift
>
628/38543
>
7900001
>
Antrieb
Ersatzteillisten für Toro Roth / TORO Antrieb
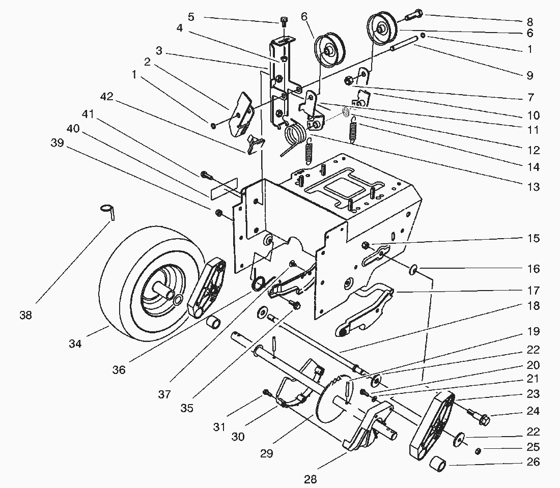
Pos.
Bezeichnung
Ersatzteilnummer
1
Sicherung
32120-46
2
Bremsarm
63-2810
3
Halter
63-2850
4
MUTTER
3296-42
5
Schraube
3234-13
6
Riemenscheibe
3-4244
7
Mutter
3296-59
8
Schraube
323-7
9
Stift
62-0970
10
Keilriemenspanner
93-8045
11
Keilriemenspanner
93-8046
12
Scheibe
3256-38
13
Feder
63-2880
14
Feder
63-2870
15
Mutter
3296-39
16
Washer-Belleville
3290-461
17
Latch-Arm
62-0470
18
Gestaenge
66-7720
19
Stift
32121-9
20
Schraube
32144-4
21
Washer-Plain
3256-1
22
Scheibe
63-3340
23
Haltearm
66-7740
24
Bolzen
62-1330
25
Mutter
3296-23
26
Buechse
63-2250
27
Scheibe
252-80
28
Kettenschutz
62-1010
29
Achse Mit Zahnrad
63-2111
30
Kettenschutz
62-1000
31
SCHRAUBE
32104-121
34
Wheel & Tire Assembly (Incl. Ref.
67-9220
35
Schraube
5-2490
36
Feder
63-2740
37
Verbinder
3290-476
38
Stift
3290-243
39
Mutter
3296-47
40
Decal-Warning (Model No. 38580 Only)
66-6860
Decal-Warning (Model No. 38543 Only)
94-2575
41
Schraube
3234-7
42
Bremsbelag
66-8060
Gebrauchsanweisungen
Toro
Roth / TORO
Aufsitzmäher
Handgeräte
Kehrmaschinen
Schneefräsen
Zubehör
zweistufig
1332 PowerShift
1232 PowerShift
1132 PowerShift
1132
1028 PowerShift
924 PowerShift
828 PowerShift
824 PowerShift
628/38546
628/38543
220000001
210000001
200000001
9000001
8900001
8000001
7900001
Rücklaufstarter Tecumseh Nr. 590733
Motor Tecumseh (Modell HMSK80-155386U) (Fortsetzung)
Motor Tecumseh (Modell-Nr. HMSK80-155386U)
Vergaser Tecumseh Nr. 632334A
Holm (Fortsetzung)
Holm
Antrieb Gestänge
Antrieb
Getriebe Nr. 66-8030 (Fortsetzung)
Getriebe Nr. 66-8030
Motor
Getriebegehäuse Nr. 74-1560
Gehäuse & Auswurf (Fortsetzung)
Gehäuse & Auswurf
6900001
5900001
4900001
3900001
2000001
1000001
0000001
628/38540
824 XL
824
724
624 PowerShift
622
521
3521
einstufig
Sauger/Bläser
Rasenmäher
Robin
Impressum
(C) by motoruf