Pos. | Bezeichnung | Ersatzteilnummer | |
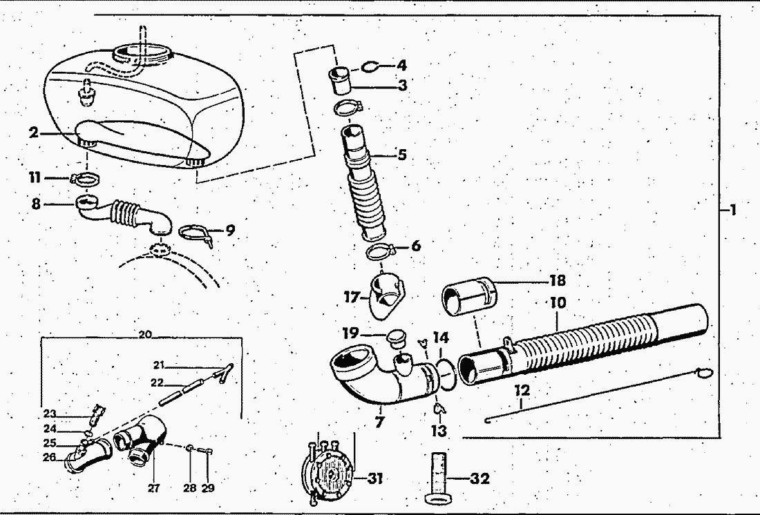
1 | STAEUBETEILE 412 | 4900354 |
2 | BELUEFTUNGSVERTEILER | 4071175 |
3 | STUTZEN32X45,5 ABFLUSS.PPR1042 | 4074266 |
4 | O.RING28,17X3,53FPM/VITON | 0062233 |
5 | FALTENSCHLAUCH 31,5X376STAUBABF | 4071199 |
6 | SCHELLE25-40 3SGL SPN. | 0066178 |
7 | GEBLAESEKRUEMMER | 4400239 |
8 | BELUEFTUNGSBALG | 4074381 |
9 | KABELBAND 220X3,5 | 0066417 |
10 | FALTENSCHLAUCH | 4400156 |
11 | SCHELLE50/12SKZ SHL. | 0066386 |
12 | DRAHT1,5X650CU. | 0043105 |
13 | FUEHRUNGSZAPFEN | 4074250 |
17 | VERLAENG.ST.34,5X33,5FORMT. | 4074324 |
18 | FILZ88X226,5X1,5 SK. | 0061157 |
19 | VERSCHL.KAPPE 36/43X14 | 4074346 |
20 | DUESE SPRUEH.DP.36/42 | 4900137 |
21 | STUTZEN10X20 Y.STUECK LUPO. | 4074143 |
22 | SCHLAUCH8X2XMT.PVC GLASKLAR | 0064138 |
23 | DOSIERHUELSE1,7/2,5/4/6,5SWZ. | 4074165 |
24 | O.RING12X2FPM/VITON 80SH. | 0062267 |
25 | DOSIERKOERPER | 4074307 |
26 | DUESE KRUEMMER.36/42 | 4073238 |
27 | GABELSTUECK | 4073155 |
28 | 6KT.MU.M4 934-8ZN GELB | 0020106 |
29 | ZYL.SHR.M4X20 84A-4.8ZN | 0010146 |
30 | DOSIEREINRICHTUNG ULV-ZUSATZ | 4900169 |
31 | FLUESS.PUMPE | 4400237 |
32 | EINSTECKSIEB | 2500198 |
33 | KOMBISCHLUESSEL21+SHR.DRE.6 ZN | 0080487 |