Zurück zu
Solo
>
Pflanzenschutzgeräte
>
Sprühgeräte
>
PORT 423 / PORT 423 FP
>
ET 07/1996 Druck 9 423 746
>
Starter
Ersatzteillisten für Solo Pflanzenschutzgeräte Starter
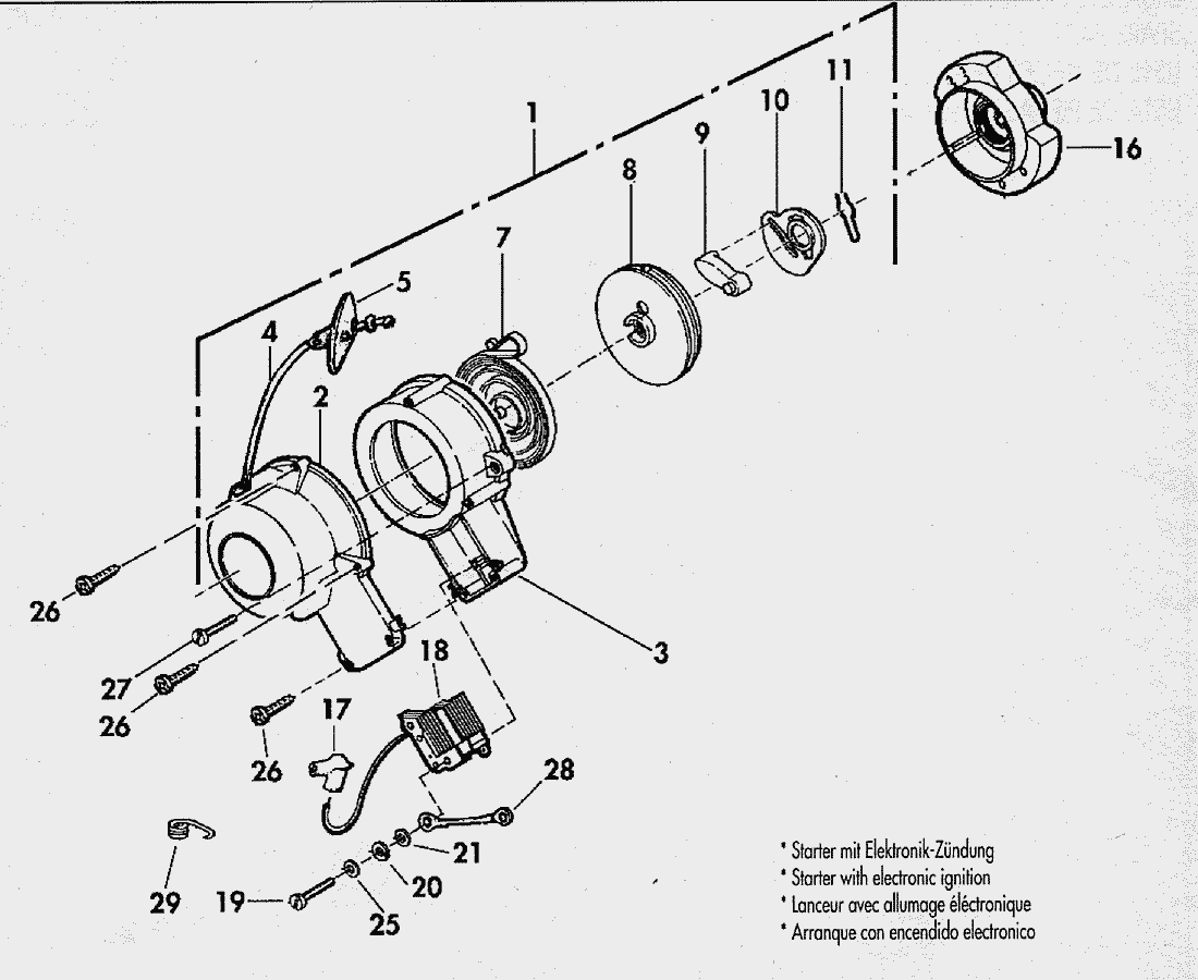
Pos.
Bezeichnung
Ersatzteilnummer
1
STARTER 423S
2600263
2
STARTERGEHAEUSE VS.423S
2100482
3
GEHAEUSE ZUENDER.
2100450
4
STARTERSEIL4,2x1000
0063178
5
STARTERGRIFF
2074206
7
RUECKZUGFEDER VS.
2600265
8
SEILROLLE
2074345
9
STARTERKLINKE
2074369
10
KULISSE R.
2074406
11
FEDERSTECKER1,5
0073364
12
Federring 6
0034114
16
MAGNETRAD12,8 1:5KEG.M26X1,5
4400219
17
KERZENSTECKER
0084600
18
ZUENDMODUL VS.
2300677
19
ZYL.SHR.M4X35KXRI.T25 8.8
0018394
21
Sicherungsscheibe
0072148
25
ZAHNSCHEIBE4,3 6797A
0034196
26
Linsenschraube 5x25 mm
0018257
27
Zylinderschraube. M6x25 mm
0018348
28
KABEL140 MASSE.SWZ.
0084544
29
KONTAKTFEDER
0073385
Gebrauchsanweisungen
Solo
Pflanzenschutzgeräte
Druckspritzen
Rückenspritzen
Motor Rückenspritzen
Sprühgeräte
Master 412 / Master 412 FP
PORT 423 / PORT 423 FP
ET 11/1989 Druck 9 423 743
ET 10/1992 Druck 9 423 744
ET 04/1997 Druck 9 423 745
ET 07/1996 Druck 9 423 746
Motor
Behältergestell / Gebläse
Sprührohr
Zubehör
Starter
ET 03/1999 Druck 9 423 747
ET 07/2001 Druck 9 423 748
PORT 423 S
444
450
Fahrbare Sprühgeräte
Granulat-Streuer
Motorsägen
Motorsensen
Motorhacken
Balkenmäher
Vertikutierer
Rasenmäher
Blasgeräte
Multimot
Impressum
(C) by motoruf