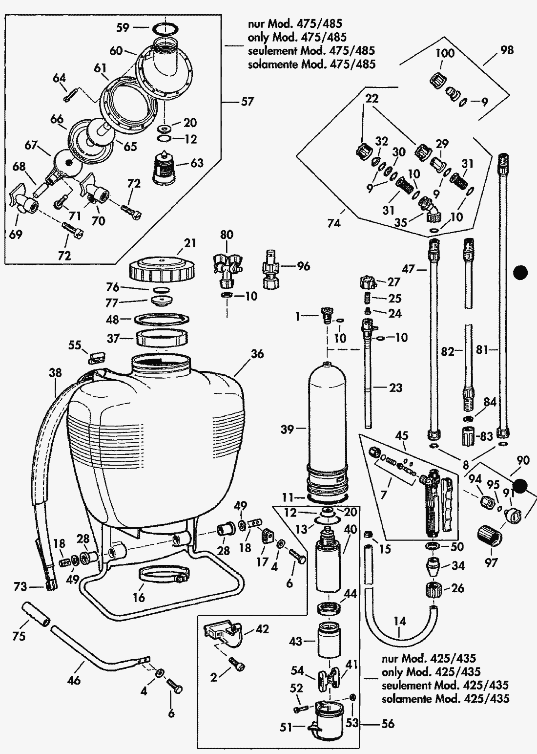
| Pos. | Bezeichnung | Ersatzteilnummer | |
| 1 | STOPFEN R3/8"+DIC. | 4200215 |
| 2 | ZYL.SHR.M8X30 912-8.8ZN GELB | 0010165 |
| 4 | SCHEIBE8,4 433ST ZN GELB | 0030131 |
| 47 | SPRITZROHR690X12X2,75PPN.SWZ. | 4900390 |
| 80 | DUESE GABELSPRITZ.1 | 4900100 |
| 5 | BOLZEN4,8X26,5 PP=MAT.SWZ. | 4074295 |
| 81 | SPRITZROHR1500X8X0,75MS BAUM | 4900396 |
| 6 | 6KT.SHR.M8X25 933-8.8ZN GELB | 0012185 |
| 81 | SPRITZROHR750MS.VS. | 4900429 |
| 7 | REP.SET.HANDVENTIL4800170+ | 0610402 |
| 8 | O.RING16X3NBR/PERB 70SH.CA. | 0062258 |
| 81 | SPRITZROHR500MS VS. | 4900422 |
| -- | SPRITZROHR570-1000MS.VERST.BAR | 4900435 |
| 9 | O.RING12X2NBR/PERB 70SH.CA. | 0062106 |
| 10 | O.RING10X2NBR/PERB 70SH. | 0062115 |
| -- | VERLAENG.ROHR12X2,75X500KT3/8" | 4900420 |
| -- | FILTER KUG.VENTIL.50M0,35BAR | 2700316 |
| 11 | O.RING88X3,5NBR.70SH.A | 0062291 |
| 12 | O.RING22X3NBR/PERB 70SH.CA. | 0062139 |
| -- | SPRITZBALKEN 2DUESEN ABS600 | 4900423 |
| 13 | O.RING46X3NBR/PERB 70SH.CA. | 0062140 |
| -- | SPRITZBALKEN 4 DUESEN ABS400 VS | 4900298 |
| 14 | SCHLAUCH10X3XMT.PVC+GEW.18BAR | 0064234 |
| 15 | SCHELLE16,5X10SWZ. | 0066388 |
| 16 | SCHELLE100/95X18,5SWZ. | 0066439 |
| 82 | VERLAENG.ROHR12X2,75X524KT3/8" | 4900419 |
| 17 | ANSCHLAG | 4043123 |
| 83 | GWD.STUECK R3/8"X28 | 4074455 |
| 84 | DIC.RING8X15,7X2NBR | 0061283 |
| 18 | ROHR16X2,5X316 LAG. | 4035111 |
| 20 | VENTILPLATTE7X26X2FPM/VITON | 4061257 |
| -- | DUESE PRALL.DT5 BLAU | 4074513 |
| 21 | DECKEL BEHAELTER M.VENT.+DIC. | 4200242 |
| 22 | MU.R3/8"X12,8ÜW. SWZ. | 4074148 |
| -- | DUESE PRALL.DT2,5 BRAUN | 4074514 |
| -- | DUESE PRALL.DT1 GELB | 4074385 |
| 23 | VERST.STUECK R3/8"X228SWZ. | 4074323 |
| -- | DUESE PRALL.DT2 ROT | 4074386 |
| 24 | DIC.STUECK SWZ. | 4074350 |
| 25 | FEDER 1,1X7,5X32,5 DRK. | 0070260 |
| 90 | MANOMETER+SCHUTZ SET SKI. | 4900356 |
| 26 | MU.R3/4"/17,5ÜW PP=MAT.SWZ | 4074337 |
| 91 | MANOMETER40D 0-6BAR 0-90 PSI | 0065186 |
| 27 | VERST.KAPPE SWZ. | 4074344 |
| 94 | MU.R3/4"/R1/4"ÜW | 4074338 |
| 28 | BU.16,5X20,2X40,5LAG. | 4074410 |
| 95 | O.RING5X3NBR/PERB 70SH.CA. | 0062249 |
| 29 | DUESE FL.STRAHL.04F80ROT POM. | 4074263 |
| -- | SPRITZSCHIRM120X300X110OVAL VS | 4900430 |
| 30 | DRALLKOERPER HH.KEG.POM=MAT. | 4074756 |
| -- | RED.ST.M11X1XR3/4"SWZ.SET | 4200205 |
| -- | DIC.SET 425 | 4900313 |
| 31 | FILTEREINSATZ POM=MAT. | 4074283 |
| OBERHAUBESATZ | |
| 32 | DUESE HH.KEG.D1,4 KAPPE. | 4074755 |
| 34 | KLEMMSTUECK | 4074500 |
| -- | DIC.SET 475 | 4900321 |
| 35 | WINKELSTUECK R3/8"SWZ. | 4074527 |
| 96 | DUESE SCHAUM.XAN2 R3/8" | 4900397 |
| 97 | MANOMETERSCHUTZ | 4065189 |
| 36 | BEHAELTERGESTELL 15L +K.PL.+SHE | 4200279 |
| 36 | BEHAELTERGESTELL 20L +KO.PUMPE | 4200268 |
| 98 | DUESE HOCHSTRAHL.1,5 MS VS.SKI | 4900206 |
| 100 | MU.R3/8"X12,2ÜW. | 4074658 |
| 37 | EINFUELLKORB | 4200166 |
| -- | VERLAENG.ROHR12X2,75X500KT.SKI | 0610413 |
| -- | SPRITZBALKEN 2DUESEN ABS600SKI | 0610414 |
| 38 | TRAGEGURT+HAKEN | 4300325 |
| -- | FILTER KUG.VENTIL.50M0,7SKI. | 0610416 |
| 38 | TRAGEGURT+HAKEN | 4300329 |
| -- | KALIBRIERPLATTE | 4074986 |
| 39 | WINDKESSEL | 4400240 |
| 40 | ZYL.45,00 KT.ULTRAMID | 4400168 |
| -- | DUESENSATZ+ÜW.MU.SKI. | 4900438 |
| -- | SPRITZROHR500 M.DUESE SKI. | 4900439 |
| 41 | PLEUEL 8/35/8 KT.NR.2 | 4074409 |
| -- | HANDVENTIL SET SKI. | 4900440 |
| 42 | HEBEL | 4074262 |
| -- | DIC.SET 425/435 SKI. | 4900442 |
| 43 | KOLBEN 44,80 POM-CO POLY | 4073558 |
| 44 | MANSCHETTE45X12 PT45.051/51FPM | 4400189 |
| -- | SPRITZROHR300X12X2,75 PPN1060 | 4900447 |
| -- | LIUM.HANDHEBEL LX. | 4900454 |
| 45 | HANDVENTIL O.HALTEB.+MAN.0-7 | 4800179 |
| 45 | HANDVENTIL M.HALTEBUEGEL | 4800170 |
| 46 | ROHR18X2,5X400 HANDHEBEL+GRIFF | 4800173 |
| 46 | HANDHEBEL VS. | 4800196 |
| 47 | SPRITZROHR500 | 4900391 |
| 48 | DIC.RING99,5X113,5X3,8 FORM | 4061458 |
| 49 | SCHEIBE16,5X24X1 5ZN. | 0031356 |
| 50 | O.RING16X3NBR/PERB 70SH.CA. | 0062258 |
| 51 | SCHUTZKAPPE | 4074677 |
| 52 | ZYL.SHR.M5X35 84A-4.8ZN GELB | 0010110 |
| 53 | Sechskantmutter M5 DIN 934 | 0020101 |
| 54 | PLEUEL 8/35/8 KT.NR.1 | 4074408 |
| 55 | GURTHALTER SWZ. | 4074412 |
| 56 | PUMPE KO.DRK.REG.BAR VS. | 4400203 |
| 57 | MEMBRANPUMPE | 4400221 |
| 59 | O.RING39,69X3,53NBR/PERB 70SH. | 0062285 |
| 60 | MEMBRANGEHAEUSE | 4073411 |
| 61 | FLANSCH | 4073410 |
| 63 | SCHRAUBSTUECK | 4400222 |
| 64 | Linsenschraube 5x25 mm | 0018257 |
| 65 | MEMBRANPLATTE | 4074247 |
| 66 | MEMBRANE | 4074245 |
| 67 | PLEUEL 8,2/52/- KT. | 4074233 |
| 68 | BOLZEN8X40 LAG. | 4031130 |
| 69 | HEBEL PUMPEN.R. | 4074234 |
| 70 | HEBEL PUMPEN.L. | 4074243 |
| 71 | LI.SHR.5X30KTKX T25 | 0018275 |
| 72 | ZYL.SHR.M8X45 912-8.8ZN GELB | 0010141 |
| 73 | BEFEST.HAKEN SWZ. | 4074833 |
| 74 | WINKELSTUECK M.DUESE | 4900374 |
| 75 | HANDGRIFF 17,45 ID X 118 PVC SH.80A | 4074392 |
| 76 | VENTILPLATTE | 4061464 |
| 77 | DECKEL BELUEFTUNGS. | 4074123 |