| Pos. | Bezeichnung | Ersatzteilnummer | |
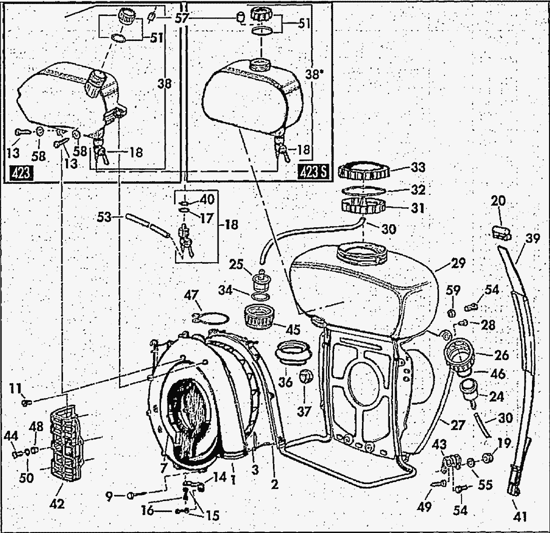
| 1 | GEBLAESEGEHAEUSE1 | 4400232 |
| 1 | GEBLAESEGEHAEUSE1 | 4400266 |
| 2 | GEBLAESEGEHAEUSE2 | 4400236 |
| 3 | LAUFRAD | 4400241 |
| 4 | 6KT.SHR.M6X20 VERI10,9ZN | 0012368 |
| 9 | Linsenschraube 5x25 mm | 0018257 |
| 11 | Linsenschraube 5x25 mm | 0018257 |
| 13 | Linsenschraube 5x25 mm | 0018257 |
| 14 | BEFEST.WINKEL | 2043338 |
| 14 | BEFEST.WINKEL | 2043411 |
| 15 | FEDERSCHEIBE6 137B | 0034107 |
| 16 | ZYL.SHR.M6X12KXRI.T25 10.9 | 0018345 |
| 17 | O.RING13X3NBR/PERB 70SH.CA. | 0062144 |
| 18 | BENZINHAHN SENKR.ABG. | 2700340 |
| 19 | 6KT.MU.M6 VERI. | 0028121 |
| 20 | GURTHALTER SWZ. | 4074412 |
| 24 | STOPFEN10/32X22/49ABFLUSS. | 4074271 |
| 25 | STOPFEN11X53 | 4074282 |
| 26 | SCHRAUBKOERPER64X3FL.GWD. | 4074265 |
| 27 | RUECKENKISSEN | 0098133 |
| 28 | STOPFEN6X17X18 SWZ. | 4074962 |
| 29 | BEHAELTERGESTELL 11L | 4200203 |
| 29 | BEHAELTERGESTELL 11L VS. | 4200207 |
| 30 | SCHLAUCH8X2XMT.PVC GLASKLAR | 0064138 |
| 31 | EINFUELLKORB | 4200153 |
| -- | SCHUTZKAPPE21X27 | 4074273 |
| 32 | DIC.RING99,50X111X4,2NBR | 4061342 |
| 33 | DECKEL BEHAELTER.RT.O.BOHRUNG | 4073170 |
| 34 | O.RING30X3FPM/VITON 80SH. | 0062280 |
| 36 | KUG.BALG | 4063143 |
| 37 | SCHUTZKAPPE | 4074352 |
| 38 | BENZINTANK | 2700318 |
| 38 | BENZINTANK | 2700306 |
| 39 | TRAGEGURT+HAKEN | 4300329 |
| 40 | O.RING9X2NBR/PERB 70SH.CA. | 0062116 |
| 41 | BEFEST.HAKEN SWZ. | 4074833 |
| 42 | AUSPUFFSCHUTZ | 2073455 |
| 43 | FEDER 3X22X26 DAEMPFUNGS. | 0073363 |
| 44 | Zylinderschraube M6x35 | 0018400 |
| 45 | SCHRAUBKOERPER64X3FL.GWD. | 4074265 |
| 46 | O.RING30X3FPM/VITON 80SH. | 0062280 |
| 47 | SCHELLE51X2,5 CR NI DRAHT. | 0073350 |
| 48 | HUELSE8,2/11X6,2X7,8DIST. | 2035269 |
| 49 | LI.SHR.6X14KTX T30 | 0018311 |
| 51 | TANKVERSCHL.32SR.GWD.I. | 2700178 |
| -- | DIC.19X27X1,5NBR.45SH.A | 0061107 |
| 53 | SCHLAUCH5X1,5XMT.PUR786SH.A87 | 0064139 |
| 54 | 6-kt. Schraube M6x16 | 0012172 |
| 55 | Scheibe 6,4 mm | 0030125 |
| 57 | ENTL.STUECK7,55X7SINTERBRONZE | 6016134 |
| 58 | Scheibe 5,2x12x0,5 mm | 0072140 |
| 59 | 6KT.MU.M6 VERI. | 0028121 |
| 60 | POLSTER SCHULTER. | 4074570 |
| 61 | MU.FL20 ÜW.SPEZ.GWD. | 2074432 |
| 62 | DIC.19X27X1,5NBR.45SH.A | 0061107 |