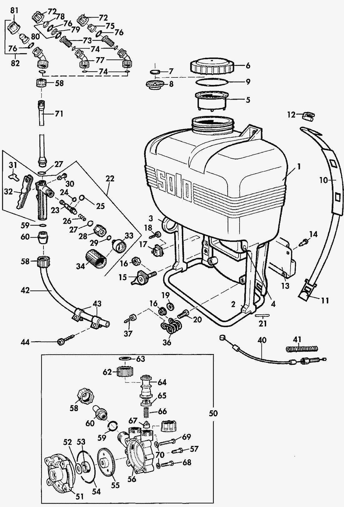
| Pos. | Bezeichnung | Ersatzteilnummer | |
| 1 | BEHAELTERGESTELL 20L | 4200257 |
| 2 | ABSTUETZUNG | 4073537 |
| 3 | ABSTUETZUNG | 4073632 |
| 4 | BOLZEN6/9X31 | 4074150 |
| 5 | EINFUELLKORB | 4200166 |
| 6 | DECKEL BEHAELTER.RT.M.BOHRUNG | 4073179 |
| 7 | VENTILPLATTE | 4061464 |
| 8 | DECKEL BELUEFTUNGS. | 4074123 |
| 9 | DIC.RING99,5X113,5X3,8 FORM | 4061458 |
| 10 | TRAGEGURT+HAKEN | 4300299 |
| 11 | BEFEST.HAKEN SWZ. | 4074833 |
| 12 | GURTHALTER SWZ. | 4074412 |
| 13 | RUECKENKISSEN | 0098147 |
| 14 | NIET 5,7X18STECK. | 0044144 |
| 15 | REG.HEBEL MAGURA | 2800332 |
| 16 | 6KT.MU.M6 VERI. | 0028121 |
| 17 | Kurzschlussschalter | 0084477 |
| 18 | ZYL.BL.SHR.4,2X13 7971C. | 0010379 |
| 19 | Scheibe 6,4 mm | 0030125 |
| 20 | 6-kt. Schraube M6x16 | 0012172 |
| 21 | HUELSE3X14 1481SPN. | 0042260 |
| 22 | HANDVENTIL M.HALTEB.+MAN.0-11 | 4800175 |
| 23 | VENTILKOERPER SWZ. | 4074330 |
| 24 | O.RING4X2FPM/VITON 80SH. | 0062212 |
| 25 | O.RING6X2,5FPM/VITON 80SH. | 0062248 |
| 26 | FEDER 1,6X11X24 DRK. | 0070259 |
| 27 | O.RING16X3NBR/PERB 70SH.CA. | 0062258 |
| 28 | MU.R3/4"/R1/4"ÜW | 4074338 |
| 29 | O.RING5X3NBR/PERB 70SH.CA. | 0062249 |
| 30 | BOLZEN4,8X26,5 PP=MAT.SWZ. | 4074295 |
| 31 | HALTEBUEGEL RT. | 4074329 |
| 32 | HANDHEBEL SWZ. | 4074335 |
| 33 | MANOMETER40D 0-10BAR 0-160PSI | 0065272 |
| 34 | MANOMETERSCHUTZ | 4065189 |
| 36 | FEDER 3X22X26 DAEMPFUNGS. | 0073363 |
| 37 | LI.SHR.6X14KTX T30 | 0018311 |
| 40 | BOWDENZUG GAS1,25X250 | 2800322 |
| 41 | SCHLAUCH5X1,5XMT.HERCLOR | 0064319 |
| 42 | SCHLAUCH10X3XMT.PVC+GEW.18BAR | 0064234 |
| 43 | SCHELLE16,5X10SWZ. | 0066443 |
| 44 | Linsenschraube 5x25 mm | 0018257 |
| 50 | PUMPE SEITENKANAL. | 4400271 |
| 51 | DECKEL PUMPEN. | 4073594 |
| 52 | SCHEIBE12X20X2 PP GF | 0031575 |
| 53 | WD.RING10X20X7 BKDPT | 0054261 |
| 54 | O.RING46X3NBR/PERB 70SH.CA. | 0062140 |
| 55 | PUMPENRAD | 4073596 |
| 56 | PUMPENGEHAEUSE | 4073595 |
| 57 | LI.SHR.5X30KTKX T25 | 0018275 |
| 58 | MU.R3/4"/17,5ÜW PP=MAT.SWZ | 4074337 |
| 59 | O.RING19X3NBR/PERB 70SH.CA. | 0062203 |
| 60 | KLEMMSTUECK | 4074500 |
| 62 | MU.FL20 ÜW.SPEZ.GWD. | 2074432 |
| 63 | SCHEIBE16,75X12,25X0,5 PA6 | 0031576 |
| 64 | FALTENSCHLAUCH | 4074645 |
| 65 | FEDERTELLER | 4074646 |
| 66 | FEDER 1,1X7,5X32,5 DRK. | 0070260 |
| 67 | DIC.STUECK | 4074474 |
| 68 | ZYL.SHR.M5X45 84A-4.8ZN GELB | 0010181 |
| 69 | ZYL.SHR.M5X55 84A-4.8ZN GELB | 0010235 |
| 70 | FEDERSCHEIBE5 137B | 0034103 |
| 71 | SPRITZROHR500MS | 4900421 |
| 72 | MU.R3/8"X12,8ÜW. SWZ. | 4074148 |
| 73 | FILTEREINSATZ POM=MAT. | 4074283 |
| 74 | O.RING10X2NBR/PERB 70SH. | 0062115 |
| 75 | DUESE FL.STRAHL.04F80ROT POM. | 4074263 |
| 76 | O.RING12X2NBR/PERB 70SH.CA. | 0062106 |
| 77 | WINKELSTUECK R3/8"SWZ. | 4074527 |
| 78 | DUESE HH.KEG.D1,4 KAPPE. | 4074755 |
| 79 | DRALLKOERPER HH.KEG.POM=MAT. | 4074756 |
| 80 | DUESE HH.KEG.D1,4 SWZ.T.SET | 4900252 |
| 81 | MU.R3/8"X12,2ÜW. | 4074658 |
| 82 | DUESE HOCHSTRAHL.1,5 MS VS.SKI | 4900206 |