Zurück zu
AS-Motor
>
AS Enduro
>
AS 27/2 Enduro
>
Messer
Ersatzteillisten für AS Motor AS Enduro Messer
Pos.
Bezeichnung
Ersatzteilnummer
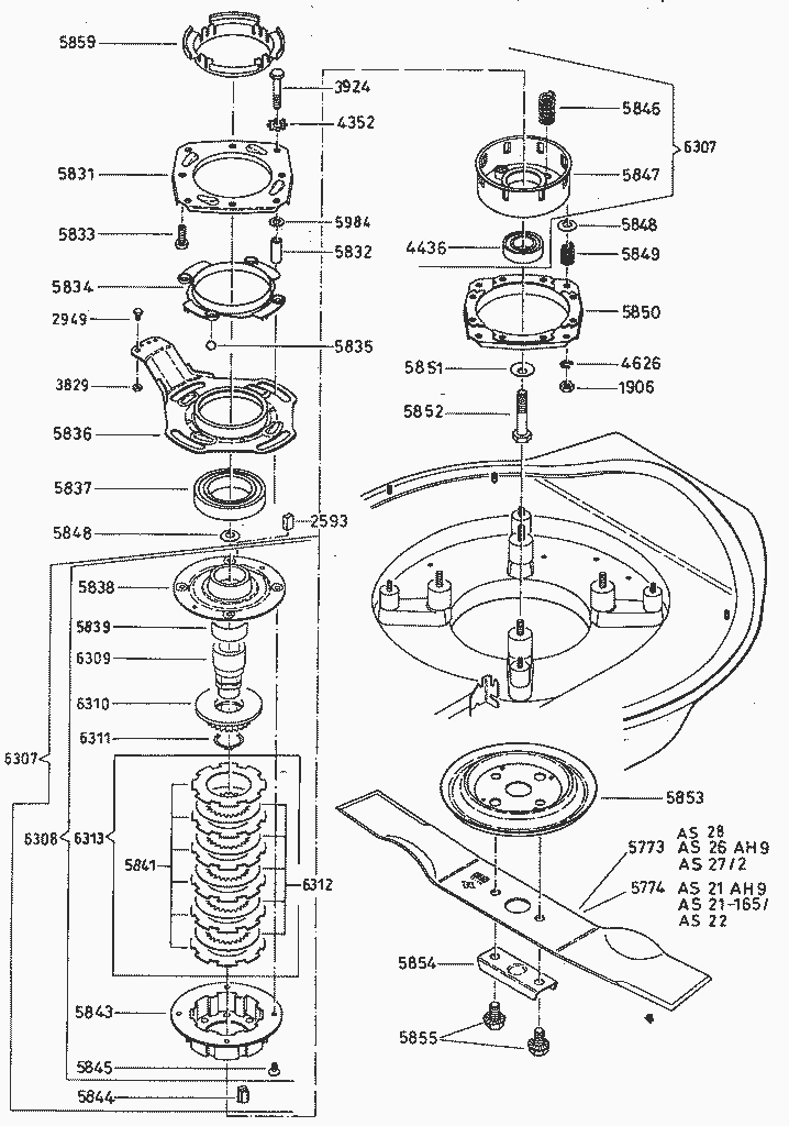
1906
SECHSKANTMUTTER
E01906
2593
PASSFEDER
E02593
2949
SECHSKANTSCHRAUBE
E02949
3829
SECHSKANTMUTTER
E03829
3924
6-kt.Schraube
E03924
4352
ZAHNSCHEIBE
E04352
4436
Rillenkugellager
E04436
4626
SPERRKANTRING
E04626
5773
Messer
E05773
5831
GRUNDPLATTE
E05831
5832
Distanzmutter
E05832
5833
Zylinderschraube m.InnenSternantrieb
E05833
5834
KUGELKÄFIG
E05834
5835
KUGEL
E05835
5836
BETÄTIGUNGSSCHEIBE M.LAGER
E05836
5837
RILLENKUGELLAGER
E05837
5838
ERSETZT DURCH 7206
E05838
5839
Gleitlager
E05839
5841
Aussenlamelle
E05841
5843
Kupplungskorb
E05843
5844
Mitnehmerstück
E05844
5845
Senkschraube mit Sternantrieb
E05845
5846
Druckfeder
E05846
5847
MESSERTRÄGER
E05847
5848
TELLERFEDER
E05848
5849
Druckfeder
E05849
5850
BREMSSCHEIBE VOLLST
E05850
5851
Tellerfeder
E05851
5852
SECHSKANTSCHRAUBE
E05852
5853
MESSERTELLER
E05853
5854
SCHRAUBENKOPFSCHUTZ
E05854
5855
SECHSKANTBUNDSCHRAUBE
E05855
5859
DICHTRING
E05859
5984
Passscheibe
E05984
6307
KUPPLUNGSKORB VOLLST.
E06307
6308
KUPPLUNGSKORB KOMPL.
E06308
6309
KUPPLUNGSNABE
E06309
6310
Kupplungsflansch
E06310
6311
Sicherungsring
E06311
6312
Innenlamelle
E06312
6313
Lamellensatz
E06313
Gebrauchsanweisungen
AS Motor
AS Batterierasenmäher
AS 45 Ausputzmäher
AS 46 Variomat
AS 45 Universal
AS 53 Standard
AS 53 Allrad
AS 55 Heckauswurf
AS 550 Heckauswurf
AS Allmäher
AS Enduro
AS 22 Enduro
AS 22/3 Enduro
AS 27/2 Enduro
Gehäuse
Antriebsachse
Antriebsblock
Grundmotor
Luftfilter / Starter
Messer
Holm
Vorderrad
Vergaser
HRB
AS 27/3 Enduro
AS 28 Enduro
AS 28/3 Enduro
AS 28/4 Enduro
AS 65 2T Enduro
AS 65 4T Enduro
AS 65 4TH Enduro
AS 73 vs Enduro
AS 73/2 vs Enduro
AS Schlegelmäher
AS Mulchmeister
AS Aufsitzmäher
Samix Gartenhäcksler
AS Wildkraut-Hex
Verschleissteile
Impressum
(C) by motoruf