Toro 18095 - Lawnmower, 1979 (9000001-9999999) ENGINE TECUMSEH MODEL NO. TNT 100-10063C Ersatzteile
ENGINE TECUMSEH MODEL NO. TNT 100-10063C 18095 - Toro Lawnmower, 1979 (9000001-9999999)

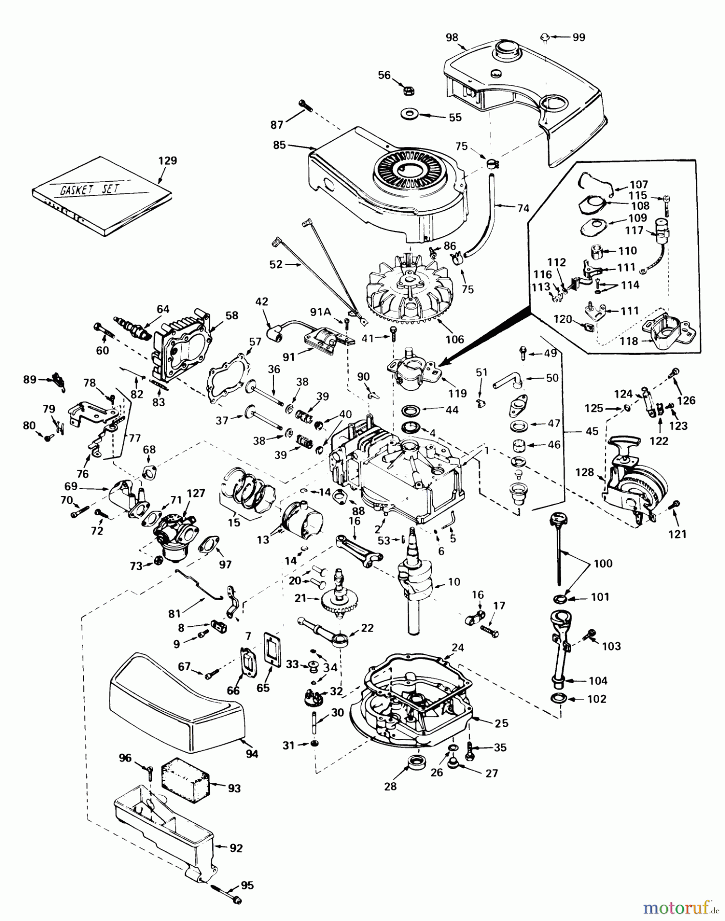
Hier finden Sie die Ersatzteilzeichnung für Toro Neu Mowers, Walk-Behind Seite 1 18095 - Toro Lawnmower, 1979 (9000001-9999999) ENGINE TECUMSEH MODEL NO. TNT 100-10063C. Wählen Sie das benötigte Ersatzteil aus der Ersatzteilliste Ihres Toro Gerätes aus und bestellen Sie einfach online. Viele Toro Ersatzteile halten wir ständig in unserem Lager für Sie bereit.


Qualitätsmanagement
Informieren Sie uns, wenn Sie einen Fehler gefunden haben.





